EasyManua.ls Logo

LG GR-349STQA.CTIQRAN - Page 32

LG GR-349STQA.CTIQRAN
36 pages
To Next Page IconTo Next Page
To Next Page IconTo Next Page
To Previous Page IconTo Previous Page
To Previous Page IconTo Previous Page
Loading...
? ?? ?
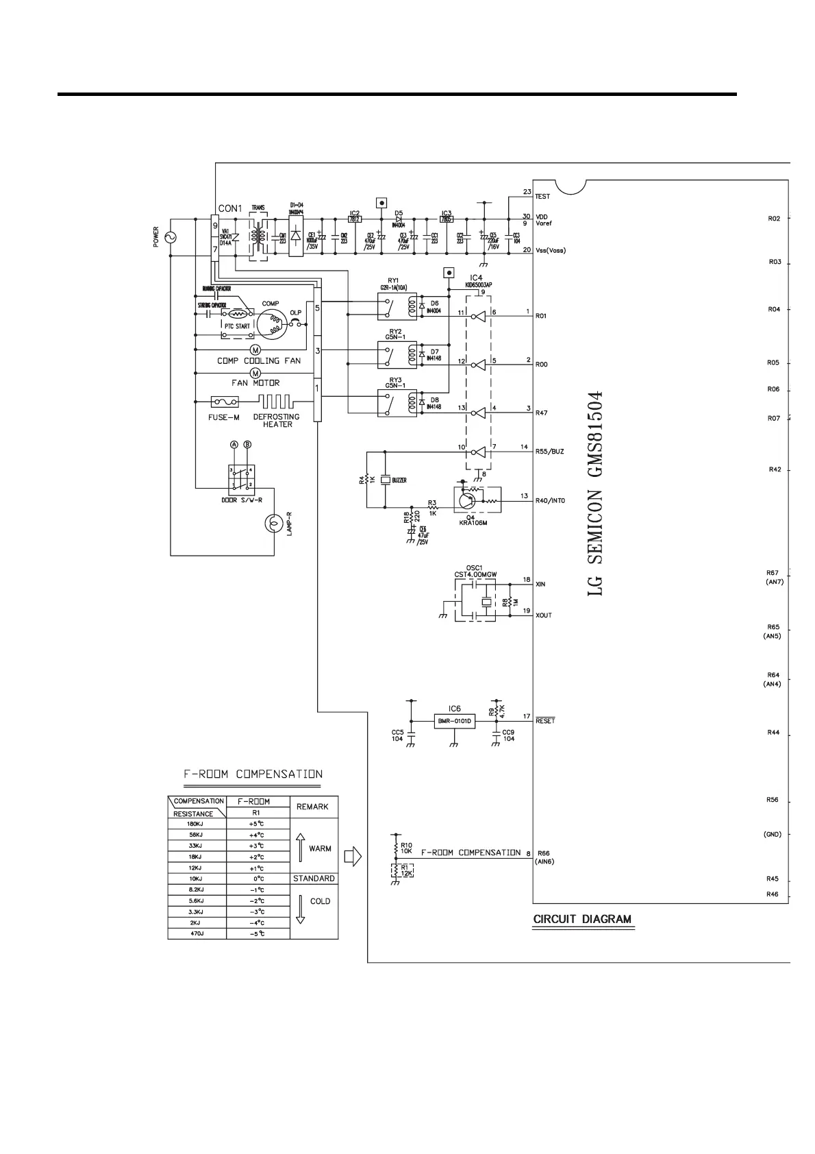
5. PWB circuit drawing- The PWB circuit drawing may change without notice.

Related product manuals