EasyManua.ls Logo

LG GR-B197DVCA - Page 34

LG GR-B197DVCA
119 pages
Print Icon
To Next Page IconTo Next Page
To Next Page IconTo Next Page
To Previous Page IconTo Previous Page
To Previous Page IconTo Previous Page
Loading...
1-4. Load/dispenser operation, buzzer driving, door opening circuit
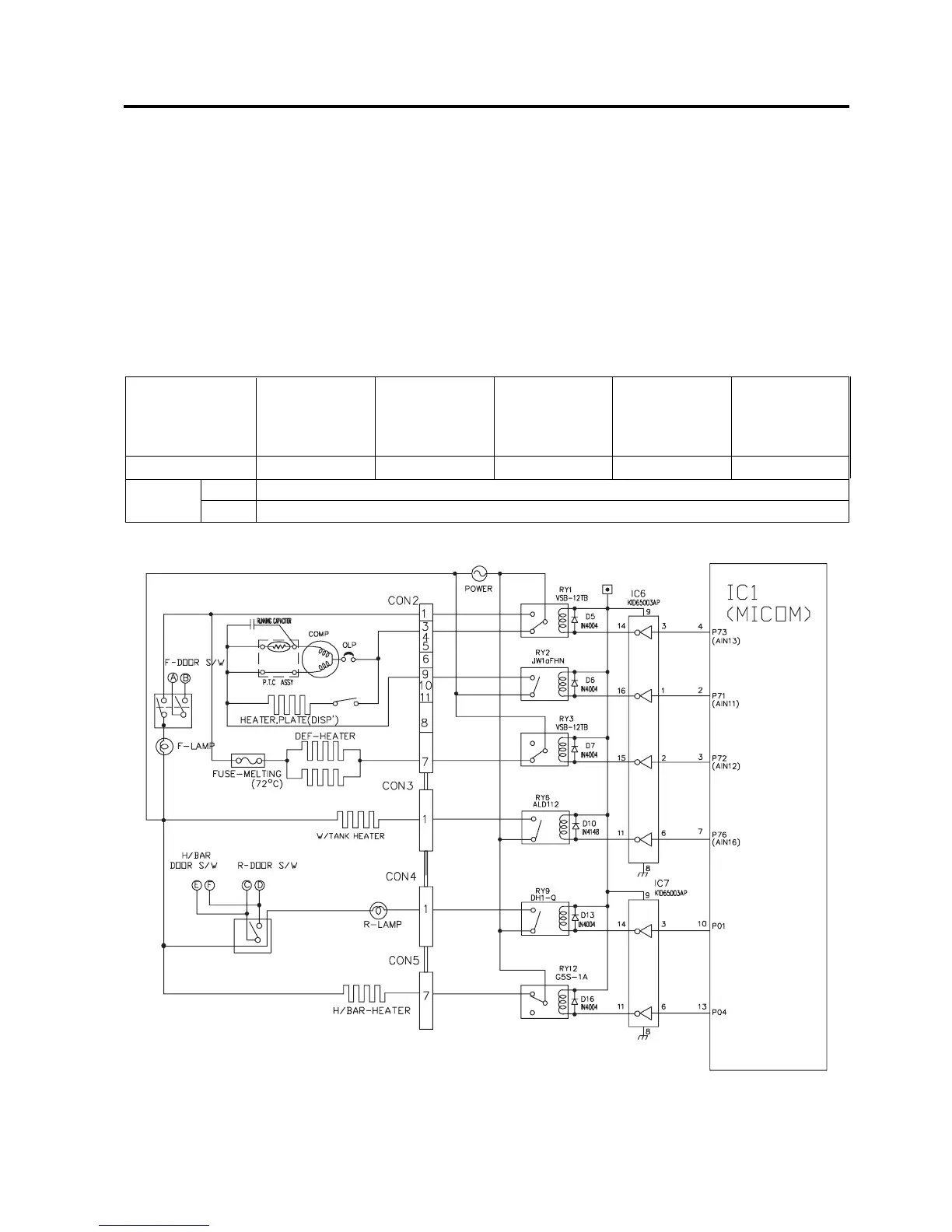
1. LOAD DRIVING CIRCUIT
InEven if opening the door of freezing room or cold storage room during operation of fan motor at the freezing room, this
circuit does not stop and operates at the standard RPM. In addition, if doors of freezing room or cold storage room, the
fan motor normally operates at the RPM previously operated.
(A), (B), (C) and (D) of door switch for the freezing room or cold storage room are connected to the door open sensing
circuit in parallel toward both ends of switch to determine door open at MICOM.
Since a door switch of the home bar is connected to door switch (C), (D) of the cold storage room, it senses door opening
if even one of both is opened.
The fan motor is immediately stop if opening doors of the freezing room or cold storage room at the TEST mode and it
immediately operates if closing them.
1) GR-L207, GR-L247
EXPLATION FOR MICOM CIRCUIT
- 34 -
Measuring part (IC6) No.16 No.15 No.16 IC7-13 IC7-14
Status
ON Within 1 V
OFF 12 V
Type of Load COMP
Frost Removal
Heater
AC Converting
Relay
R-room LAMP
Water Tank
Heater

Related product manuals