EasyManua.ls Logo

LG GR-B197DVCA - Ice Maker Circuit Part

LG GR-B197DVCA
119 pages
Print Icon
To Next Page IconTo Next Page
To Next Page IconTo Next Page
To Previous Page IconTo Previous Page
To Previous Page IconTo Previous Page
Loading...
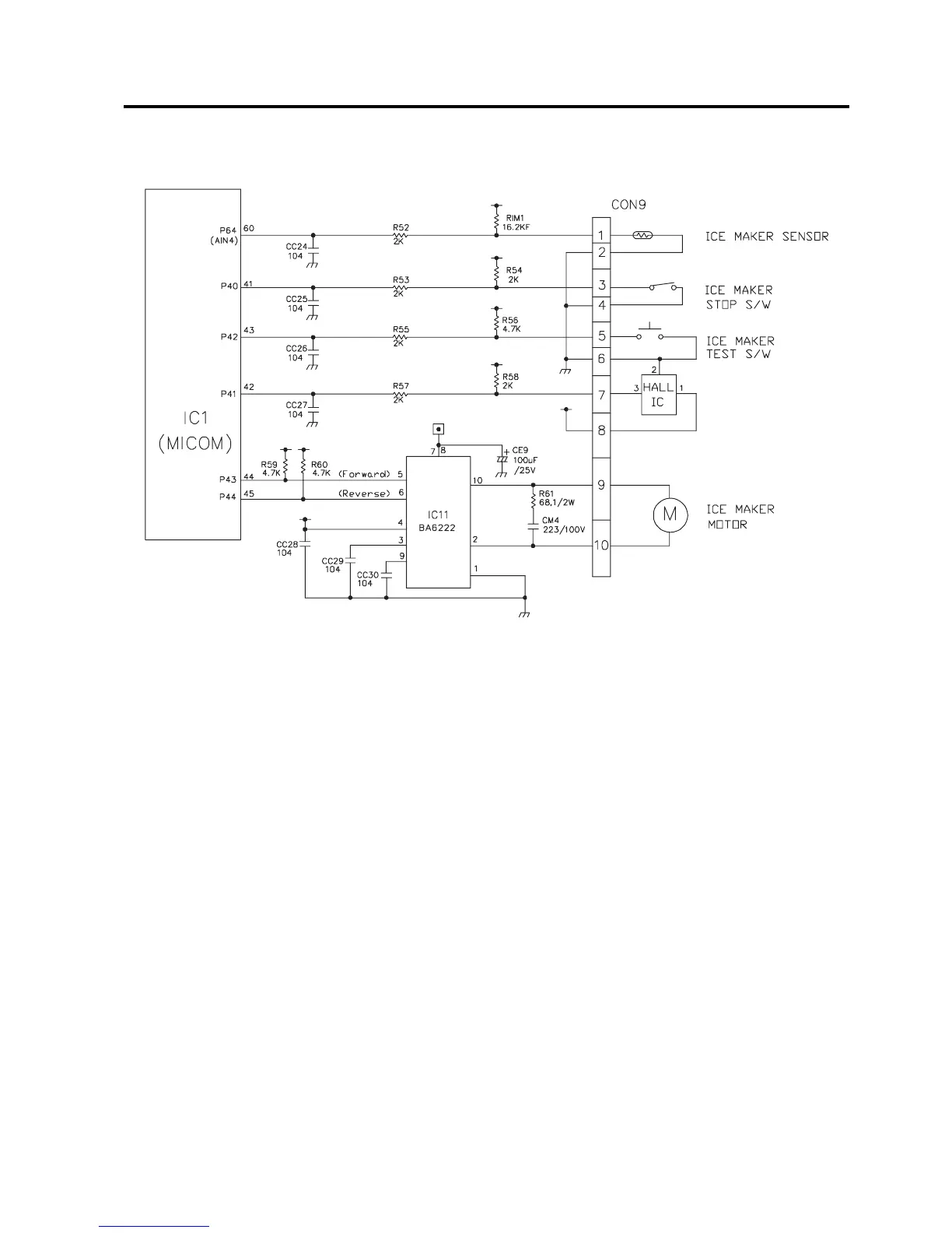
4. Ice maker circuit part
The above ice maker circuit is applied to the R S65DQG/DSG, R-S65DRG and consists of the ice maker unit part installed
at the freezing room and the ice maker driving part of the main PWB.
Water supply to the ice maker container is done by opening the valve for the established water supply time by operating the
container via a solenoid relay for the ice valve of the solenoid valve placed at the M/C room. If the water supply time is
elapsed, water supply is automatically stop. This circuit is a circuit for implementing function such as ice removal, ice-full
detection, horizontal balancing and sense of ice-making temperature for the ice-maker container. Since ice-making
temperature sense is same as in the temperature sense circuit part of the main PWB, refer to it.
Test switch input detection of the ice-maker is same as in the door switch input detection circuit of the main PWB.
1. This function is used in operation test, service execution and cleaning etc and performed if pressing the test switch
installed at the automatic ice-maker itself for more than 0.5 second.
2. The test switch operates in the horizontal status and test function is not input in the water supply operation. Ice removal
control and water supply control is not performed if full-ice is arrived during the operation of test function.
3. If pressing the test switch for 0.5 second or more in the horizontal status, ice removal operation is immediately performed
irrespective of the generation conditions of ice at the ice-making tray. Therefore, care is required since water may
overflow if operating test function in the water state that ice-making is not done. A cycle of water supply is performed in
the horizontal balancing operation after ice removal operation. Therefore, you can check any problem of ice removal
operation, horizontal operation and water supply. In this case, if test function is normally performed, “Ding~” buzzer sound
rings and water supply control is performed. Thus, no ringing of “Ding~” buzzer sound means failure and repair check
must be performed.
4. If water supply is completed, operation in the normal cycle of “ice making ice removal returning to horizontal status
water supply”.
ICE MAKER AND DISPENSER OPERATION PRINCIPLE AND REPAIR METHOD
- 63 -

Related product manuals