EasyManua.ls Logo

LG GR-B197WVS - Page 58

LG GR-B197WVS
120 pages
To Next Page IconTo Next Page
To Next Page IconTo Next Page
To Previous Page IconTo Previous Page
To Previous Page IconTo Previous Page
Loading...
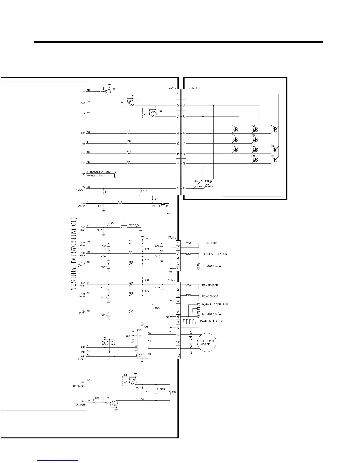
MICOM CIRCUIT DESCRIPTION
- 58 -
Freezer
Temp
Control
Refrigerator
Temp
Control
PWB ASSEMBLY DISPLAY

Other manuals for LG GR-B197WVS

Related product manuals