EasyManua.ls Logo

LG GR-S462 - Page 21

LG GR-S462
35 pages
To Next Page IconTo Next Page
To Next Page IconTo Next Page
To Previous Page IconTo Previous Page
To Previous Page IconTo Previous Page
Loading...
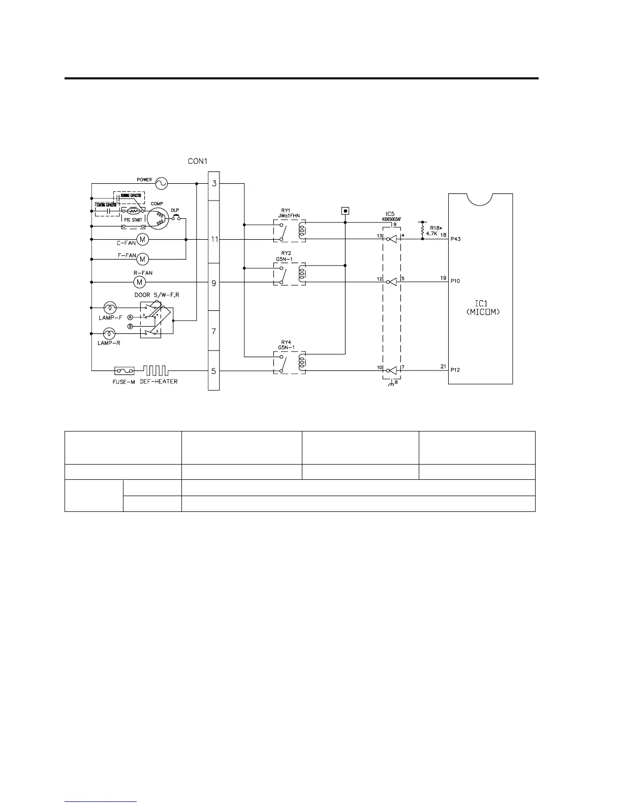
7-2-4 LOAD DRIVE CIRCUIT
1. Load Drive Condition Check
- 21 -
Load Type Defrosting Heater Refrigerator Fan
Measurement Location(IC5) No.13 No.10 No.12
ON 1V or below
Condition
OFF 12V
Comp,
Freezer Fan Motor

Related product manuals