EasyManua.ls Logo

LG GR-S462 - Page 31

LG GR-S462
35 pages
To Next Page IconTo Next Page
To Next Page IconTo Next Page
To Previous Page IconTo Previous Page
To Previous Page IconTo Previous Page
Loading...
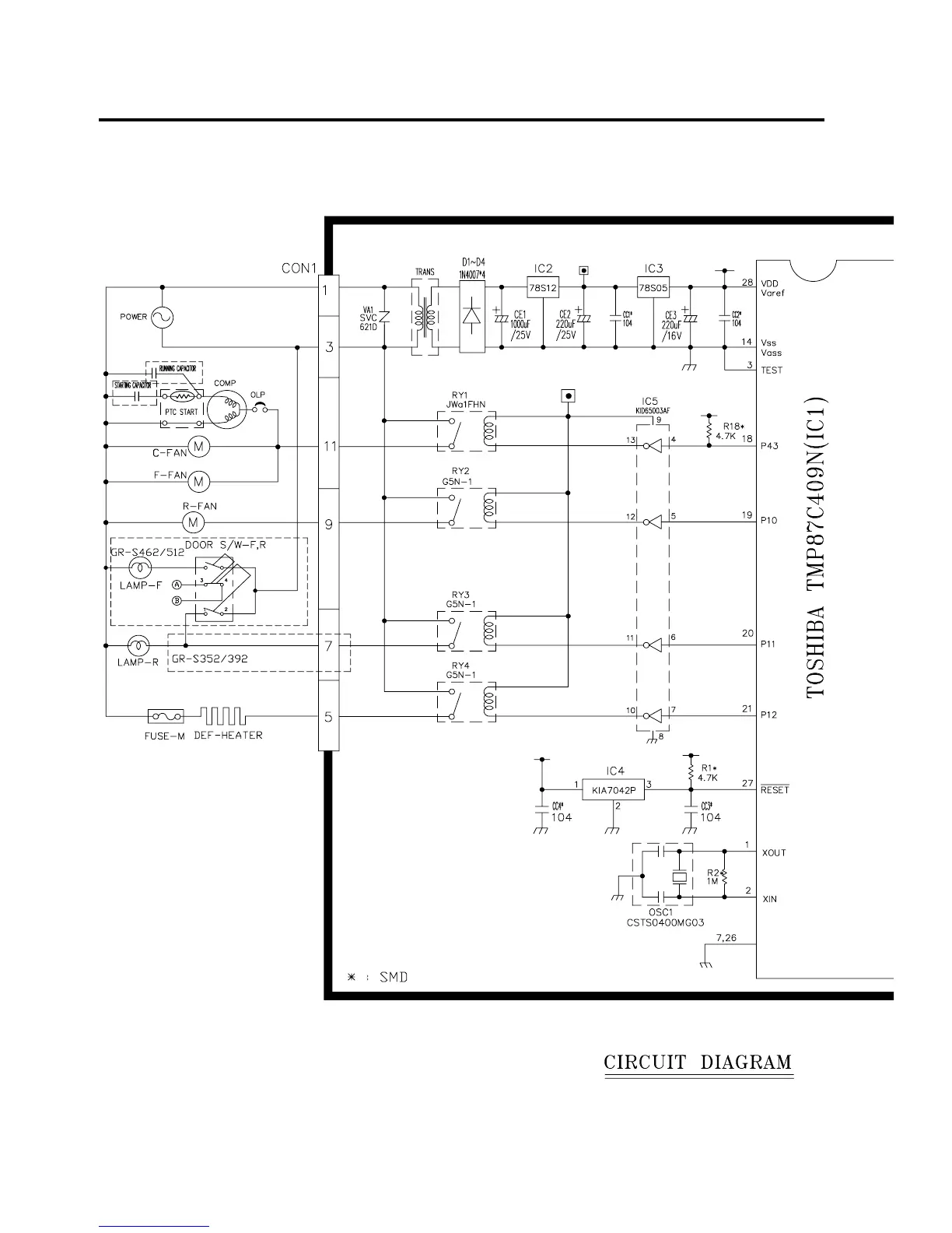
7-6 PWB DIAGRAM
- 31 -

Related product manuals