EasyManua.ls Logo

LG LAN180HSV - Wiring Diagrams

LG LAN180HSV
83 pages
Print Icon
To Next Page IconTo Next Page
To Next Page IconTo Next Page
To Previous Page IconTo Previous Page
To Previous Page IconTo Previous Page
Loading...
6RMI0-02A
25
Inverter SingleInverter Single
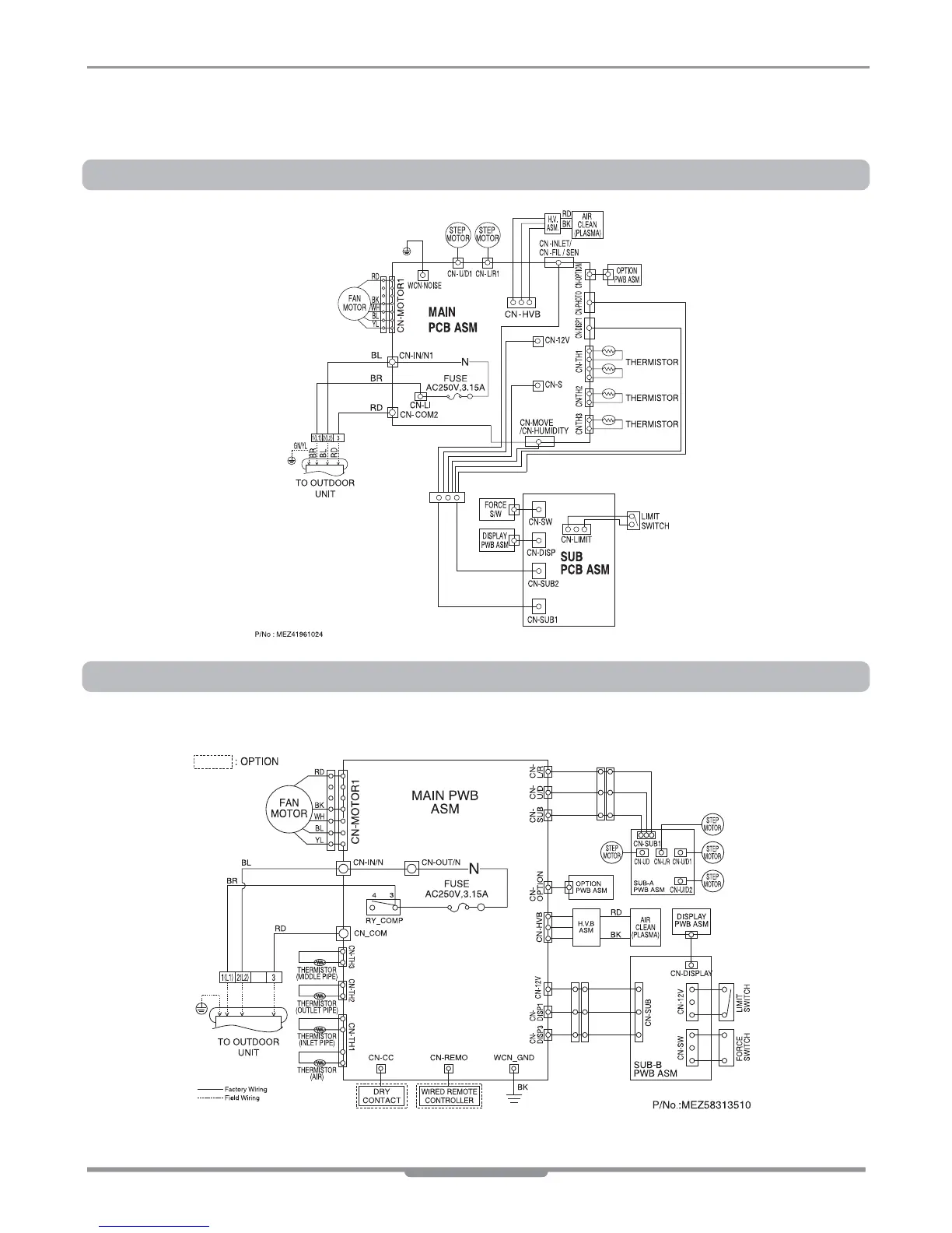
Wiring diagrams
5. Wiring diagrams
Models: ASNW093B1U1(LSN091HSV), ASNW123B1U1(LSN121HSV)
Models: ASNW163C2U1(LSN161HSV), ASNW183C2U2(LSN181HSV)
5.1 Indoor units

Other manuals for LG LAN180HSV

Related product manuals