EasyManua.ls Logo

LG LB-E6081HL - Page 16

LG LB-E6081HL
54 pages
Print Icon
To Next Page IconTo Next Page
To Next Page IconTo Next Page
To Previous Page IconTo Previous Page
To Previous Page IconTo Previous Page
Loading...
16
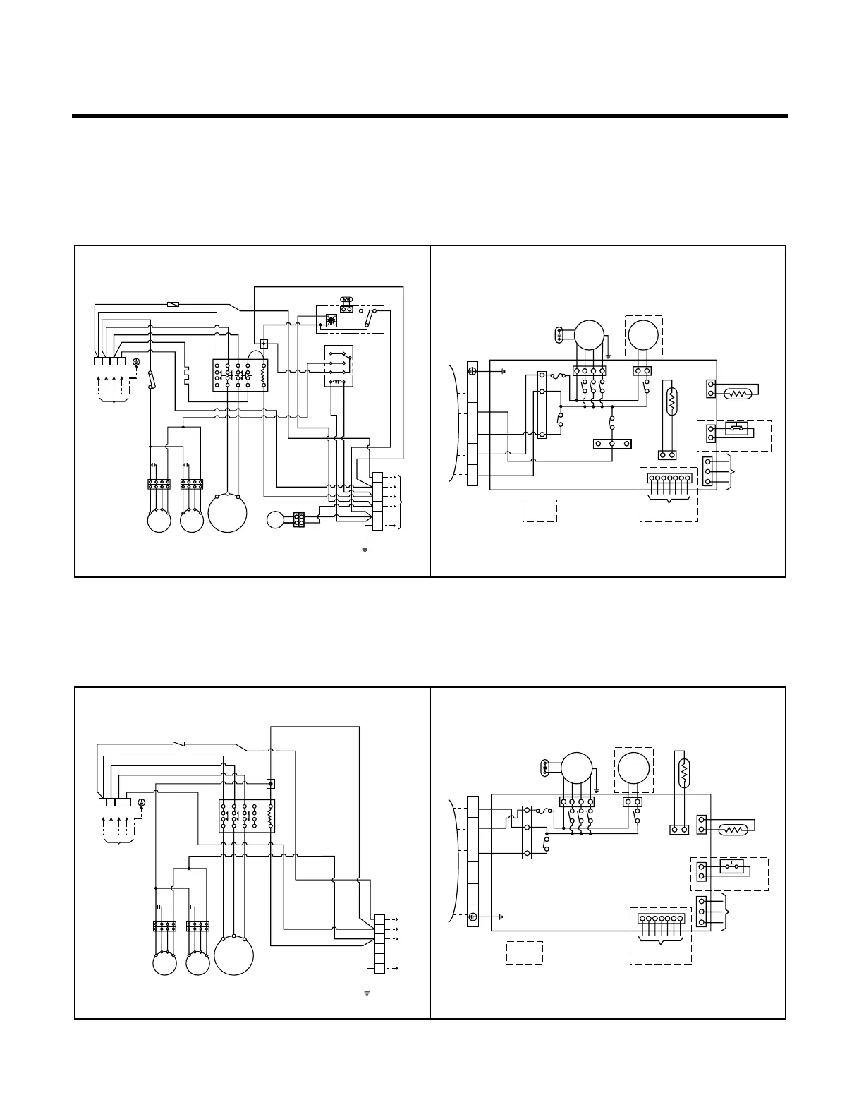
HEAT PUMP
Model : LB-F3681HL/LB-F3683HL
COOLING ONLY
Model : LB-F3681CL/LB-F3683CL
OUTDOOR WIRING DIAGRAM INDOOR WIRING DIAGRAM
3854A90021F
INDOOR
MOTOR
DRAIN
PUMP
BR
BR
BL
RD
BK
GN/YL
YL
OR
RD
BL
BL
BL
BK
GN/YL
COMP
4 WAY
FUSE
250V10A
ROOM.
THERMISTOR
PIPE
THERMISTOR
FLOAT S/W
REMOTE
CONTROL
ZONE
CONTROL
OPTIONAL
EXTRA
TERMINAL
BLOCK
TO OUTDOOR UNIT
3854A20031X
3(L) 4(N) 5 6 7
78
1TM
380-415V
3Ø, 50Hz
POWER SUPPLY
BK
63H2
52C
13531
24632
B
A
BK
WH
BK
52F1
12
34
56
TNS
NO
C TH
NC
D.P
WH
BK
WH
BK
WH
BL
RD
GN/YL
BLBK
WH
T/B1
F1
BK
WH
WH
RD
BK
WH
BK
BK
RD
WH
T1 T3
T2
CH1
Co
OR YL
Co
OR
FMo1 FMo2
CM
YL
YL
BKBK
BR
BK
BL
BK
WH
GN/YL
TMo
To the indoor unit
WH
234
RSTN
20SV
BK BK
BK BK
1
2
3
4
5
6
OUTDOOR WIRING DIAGRAM INDOOR WIRING DIAGRAM
1TM
3ø, 380V, 50Hz
POWER SUPPLY
BK
52C
13531
24632
B
A
BK
WH
WH
BK
WH
BL
GN/YL
T/B
F1
BK
WH
RD
WH
BK
RD
WH
T1 T3
T2
Co
OR YL
Co
OR
FMo1
3854A90010Y
FMo2
CM
YL
BKBK
BR
BL
BK
BKBK
WH
GN/YL
TMo
To the indoor unit
WH
WH
234
RSTN
1
2
3
4
5
6
INDOOR
MOTOR
DRAIN
PUMP
BR
BR
YL
OR
RD
BL
BL
RD
BL
BL
BK
GN/YL
GN/YL
COMP
FUSE
250V10A
TEMP.
THERMISTOR
PIPE
THERMISTOR
FLOAT S/W
REMOTE
CONTROL
ZONE
CONTROL
OPTION
TERMINAL
BLOCK
1
(
L
)
2
(
N
)
4 3
5
TO OUTDOOR UNIT
3854A20031Y

Table of Contents

Related product manuals