EasyManua.ls Logo

LG LBUK3660BL - Refrigeration Cycle Diagram; Heat Pump Cycle

LG LBUK3660BL
64 pages
Print Icon
To Next Page IconTo Next Page
To Next Page IconTo Next Page
To Previous Page IconTo Previous Page
To Previous Page IconTo Previous Page
Loading...
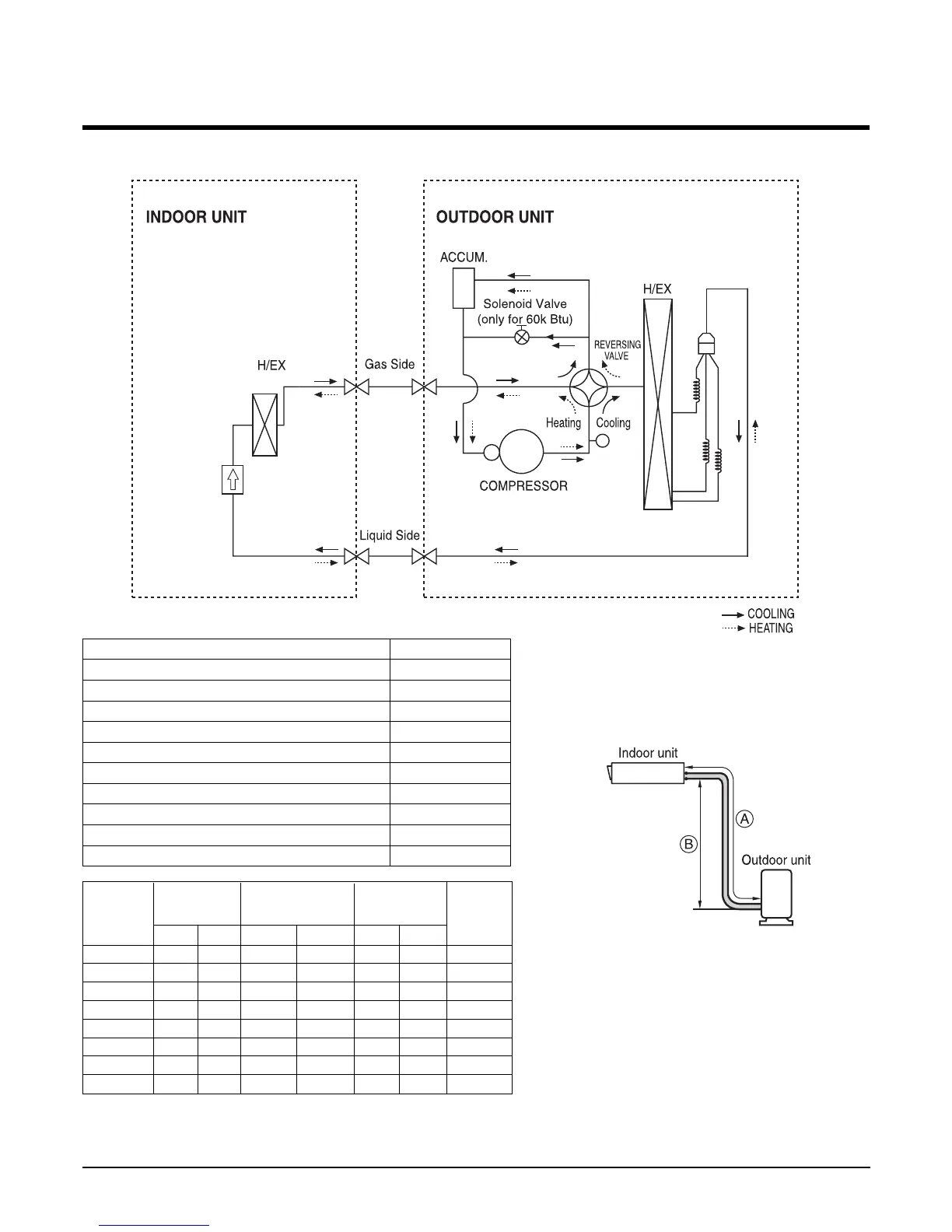
Refrigeration Cycle Diagram
- 14 -
Copyright ©2007 LG Electronics. Inc. All right reserved.
Only for training and service purposes
LGE Internal Use Only
Heat Pump
ORIFICE
(Capillary only
for 60k Btu)
ORIFICE
(Only for
60k Btu)
HP
If 60K Model is installed at a distance of 15m, 525g of refrigerant should be added
(15-7.5) x 70g = 525g
30k Btu/h
5/8" 3/8" 7.5 30 5 15 70
36k Btu/h
5/8" 3/8" 7.5 30 5 15 50
42k
Btu
/h 3/4'' 3/8" 7.5 30 5 15 70
48k
Btu
/h 3/4'' 3/8" 7.5 30 5 15 70
60k
Btu
/h 3/4'' 3/8" 7.5 30 5 15 70
72k
Btu
/h 1'' 1/2" 7.5 25 5 20 70
90k
Btu
/h 9/8'' 5/8" 7.5 30 5 20 90
100k
Btu
/h 9/8'' 5/8" 7.5 30 5 20 100
Capacity
Gas Liquid
Elevation B(m)
Piping Length
A(m)
* Additional
Refrigerant
(g/m)
Pipe Size (Diam-
eter: Ø)
inch
Standard
Standard
Max.
Max.
Model Name Orifice Number
LBNS3061BL/LBNS3062BL/LBNS3063BL/LBNS3064BL
63
LBNK3661BL 62
LBNK3663BL TBA
LBNK4261BL 74
LBNK4262BL/LBNK4263BL 72
LBNK4881BL 86
LBNK4882BL/LBNK4883BL 90
LBNM7280BL/LBNM7281BL 98
LBNM9080BL/LBNM9081BL 84
LBNM1080BL/LBNM1081BL 104
Orifice Number

Related product manuals