EasyManua.ls Logo

LG LPUC808FA0 - Vacuum Drying of the Connecting Pipes and the Indoor Unit

LG LPUC808FA0
20 pages
Print Icon
To Next Page IconTo Next Page
To Next Page IconTo Next Page
To Previous Page IconTo Previous Page
To Previous Page IconTo Previous Page
Loading...
16 Floor Standing type Air Conditioner
Installation of Unit
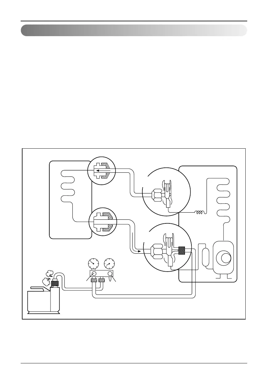
Vacuum Drying of the Connecting Pipes and the Indoor Unit
The air which contains moisture remaining in the refrigeration cycle may cause a malfunction on the
compressor.
1. Confirm that both the liquid side valve and the gas side valve are set to the closed position.
2. After connecting the piping, check the joints for gas leakage with gas leak detector.
3. Remove the service port nut, and connect the gauge manifold and the vacuum pump to the service
port by the charge hose.
4. Vacuum the indoor unit and the connecting pipes until the pressure in them lowers to below -
76cmHg.
5. Remove the valve stem nuts, and fully open the stems of the 2-way and 3-way valves with a hexagon
wrench.
6. Tighten the valve stem nuts of the 2-way valve and 3-way valve.
7. Disconnect the charge hose and fit the nut to the service port.
(Tightening torque: 1.8kg.m)
Indoor unit
Outdoor unit
Liquid side
CLOSEOPEN
Vaccum pump
Gas side
Closed
Closed
2-way valve/
3-way valve
3-way
valve

Related product manuals