EasyManua.ls Logo

LG LX-E330A - Page 21

LG LX-E330A
36 pages
Print Icon
To Next Page IconTo Next Page
To Next Page IconTo Next Page
To Previous Page IconTo Previous Page
To Previous Page IconTo Previous Page
Loading...
- 2-36 -
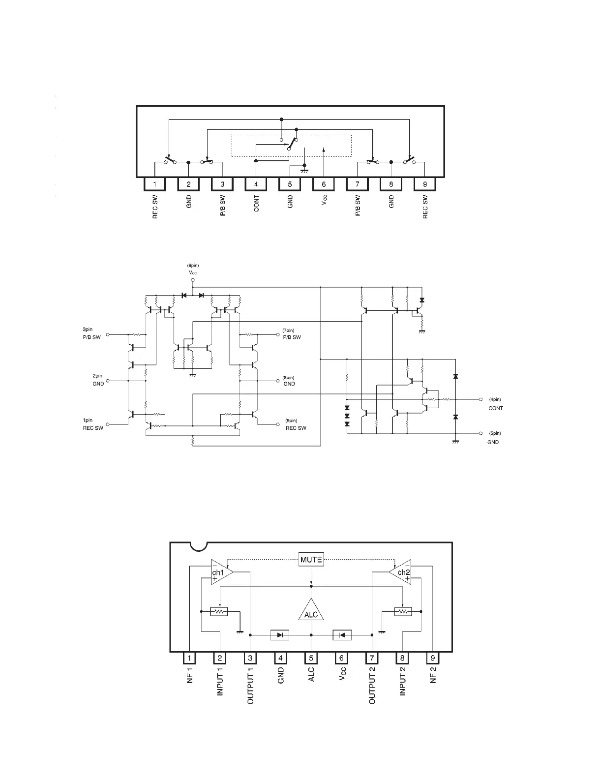
• Internal circuit configuration
BA3126N (IC202)
2-channel head switch for radio cassette recoreders
BA3308 (IC203)
Dual preamplifier with ALC