EasyManua.ls Logo

LG RT-21FB55M - Block Diagram

LG RT-21FB55M
29 pages
Print Icon
To Next Page IconTo Next Page
To Next Page IconTo Next Page
To Previous Page IconTo Previous Page
To Previous Page IconTo Previous Page
Loading...
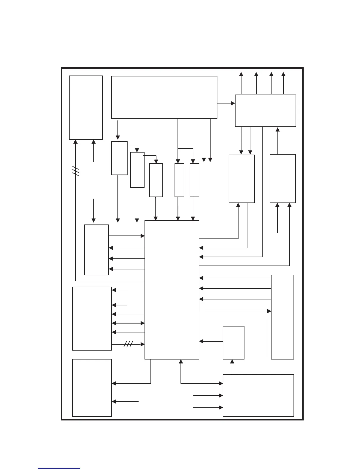
BLOCK DIAGRA
- 19 -
MICOM( IC 11 )
VCT49* *
TUNER
(TU101)
AV-OUT
(JK202)
* SCART/ PHONE/ DVD
FBT
(T402)
AUDIO AMP
( IC601)
RGB AMP
( TDA6107Q )
STR-W6754
(IC801)
AUDIO-OUT
RGB
HV
SCREEN
H/ T
H-DRIVE
( Q401 )
VERTICAL AMP
(IC301)
TDA4863A
14V
-14V
VA
H-OUT
35V( H-Vc c/ TU-33V)
S-Vc c
6. 5V
12V
B+
SAW FILTER
(Z101)
PIP_BOARD
( SDA9489X )
S1117-18
(IC825)
S11 1 7- 33
(IC853)
KIA78S06P
(IC824)
KA78R33
KA7 8R05C
ST-5V
ST-3. 3V
ST-1. 8V
3. 3V
GAME HIC
(HIC01)
190V
VB
H-FLB
IIC
33V 5V
TV / MONITOR OUT
SCART RGB-IN
Y/Cb/Cr-IN
AV-IN
H-Vc c
5V
S-Vc c
PIP-RGB
PIP-VIDEO
IIC
VS
H-FLB 5V
ST-5V
ON / OFF
DATA/CLOCK
RESET
VIDEO/AUDIO
190V

Related product manuals