EasyManua.ls Logo

LG WT7600HWA - Troubleshooting Summary

LG WT7600HWA
54 pages
To Next Page IconTo Next Page
To Next Page IconTo Next Page
To Previous Page IconTo Previous Page
To Previous Page IconTo Previous Page
Loading...
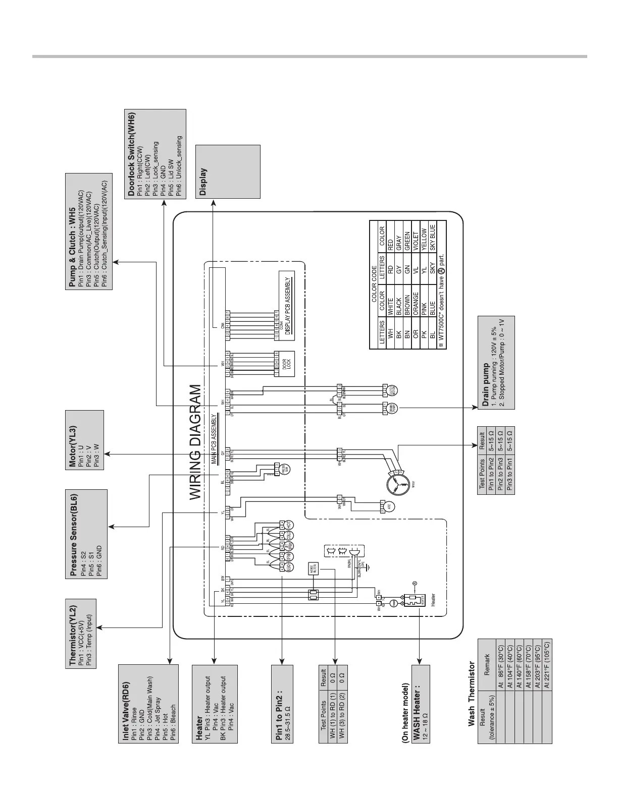
4-5. TROUBLESHOOTING SUMMARY
31
Pin1: Rx
Pin2: Tx
Pin3: Smps2_5v
Pin4: GN D
Pin5: Standby
Pin6: Smps2_13v
Pin7: Boot
76.5 k
50.6 k
23.6 k
16.6 k
7.5 k
5.6 k

Related product manuals