EasyManua.ls Logo

LifeSafety Power B100

Default Icon
8 pages
To Next Page IconTo Next Page
To Next Page IconTo Next Page
To Previous Page IconTo Previous Page
To Previous Page IconTo Previous Page
Loading...
B100 INSTALL MANUAL 6
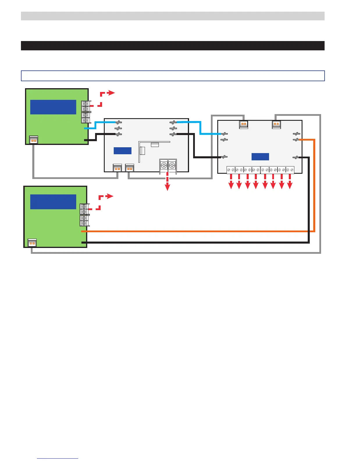
Each output selectable for
24V (B1) or 12V (B2)
5V OUT
12V Out
DC1DC1
BRBR
FlexIOFlexIO
B1
B2
BR
B1
B2
BR
D8
FlexIO connectionFlexIO connection FlexIO connectionFlexIO connection
FlexIOFlexIO FlexIOFlexIO
– OUT +
DC OUT
BR
DC OUT
BR
DC IN
DC IN
B100
B100 - set to 5V DC
DC1DC1
DC2DC2
DC2DC2
BRBR
FPO 24V
FPO 12V
FlexIOFlexIO
FlexIO connectionFlexIO connection
24V Out
FlexIOFlexIO
B100 Application Examples
Triple Voltage (24V/12V/5V) using two FPO's, one B100 with 8 output distribution

Other manuals for LifeSafety Power B100

Related product manuals