EasyManua.ls Logo

Lincoln FlowMaster 85567 - Page 33

Lincoln FlowMaster 85567
49 pages
Print Icon
To Next Page IconTo Next Page
To Next Page IconTo Next Page
To Previous Page IconTo Previous Page
To Previous Page IconTo Previous Page
Loading...
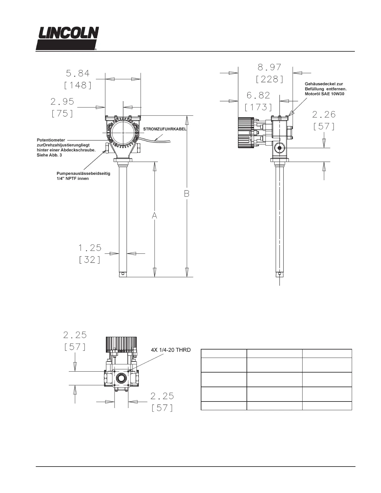
FlowMaster™ Elektrische Pumpe mit
Umlaufantrieb
Formular 403693
Seite - 33
MODELL DIM „A“ Zoll (mm) DIM „B“ Zoll (mm)
85552, 85569,
85587, 274873©
13,69 (348) 21,25 (540)
85554, 85567,
275626©
19,00 (483) 26,60 (676)
85553, 85566,
85568
27,50 (699) 35,00 (889)
85591 34.00 (864) 41.60 (1057)
Abbildung 11
© Bezeichnet Änderung

Related product manuals