EasyManua.ls Logo

Lincoln FlowMaster 85567 - Page 9

Lincoln FlowMaster 85567
49 pages
Print Icon
To Next Page IconTo Next Page
To Next Page IconTo Next Page
To Previous Page IconTo Previous Page
To Previous Page IconTo Previous Page
Loading...
Page Number - 9
Form 403693
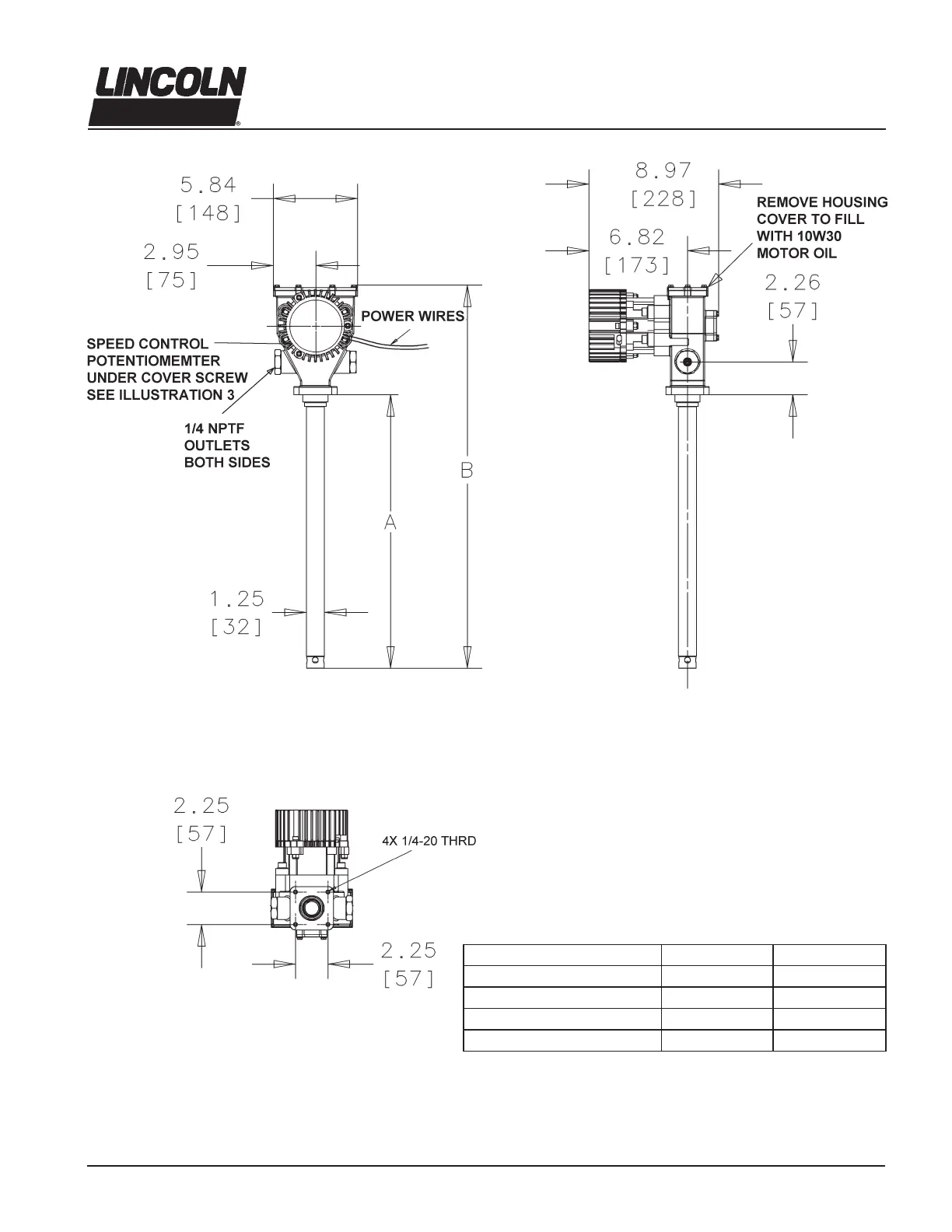
FlowMaster™ Rotary Driven Electric Pump
Illustration #11
MODEL DIM "A" in (mm) DIM "B" in (mm)
85552, 85569, 85587, 274873© 13.69 (348) 21.25 (540)
85554, 85567, 275626© 19.00 (483) 26.60 (676)
85553, 85566, 85568 27.50 (699) 35.00 (889)
85591 34.00 (864) 41.60 (1,057)
© Indicates change

Related product manuals