EasyManua.ls Logo

LINCOS STD-3550 - Wiring Diagram

Default Icon
18 pages
Print Icon
To Previous Page IconTo Previous Page
To Previous Page IconTo Previous Page
Loading...
18
Ékszíjas meghajsú, olajkesű, dugatt
LINCOS Slovenia
STD-3550
Two Post Lift - Electrical Release
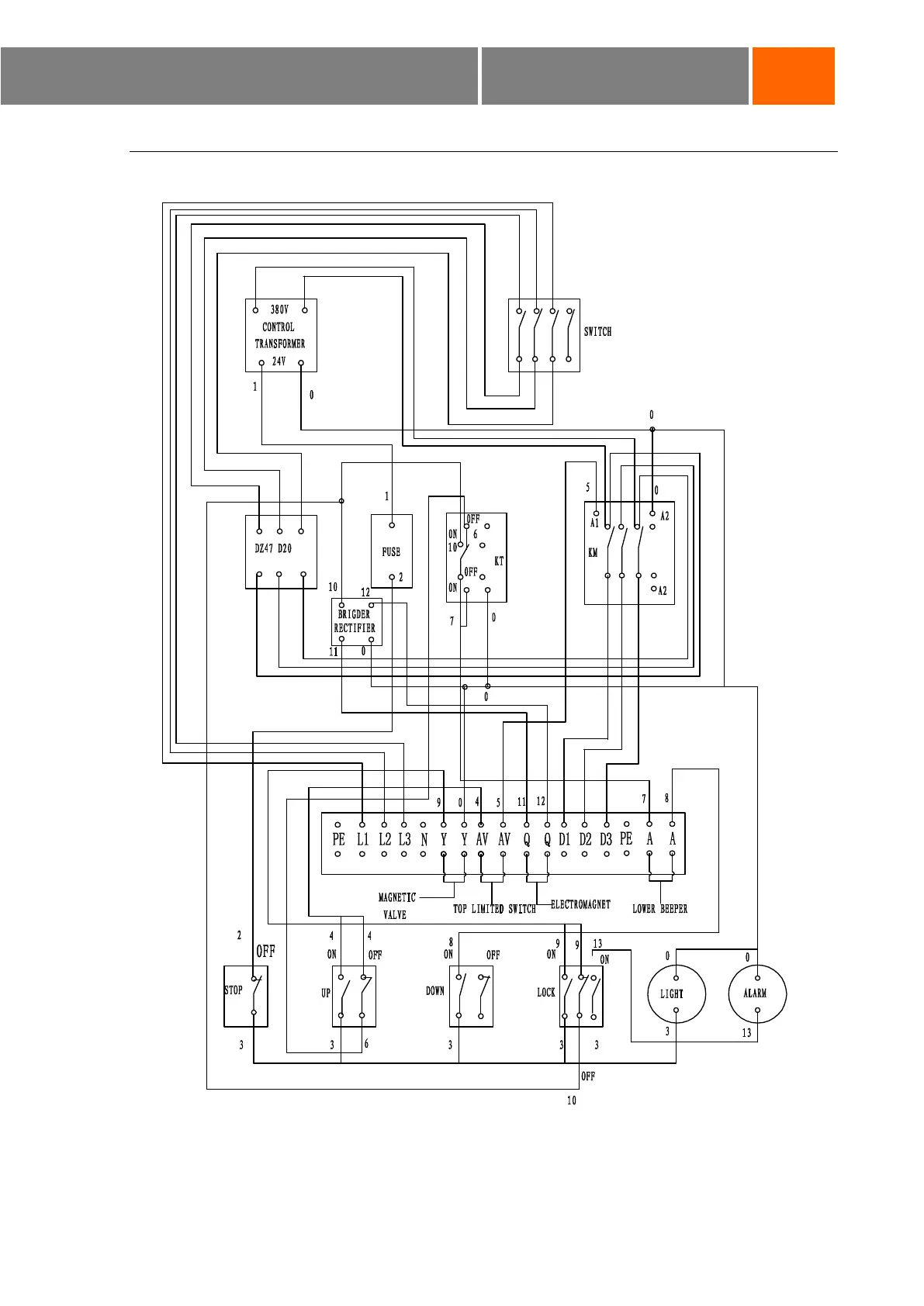
12 WIRING DIAGRAM