EasyManua.ls Logo

Linkplay A98 - Page 16

Linkplay A98
23 pages
Print Icon
To Next Page IconTo Next Page
To Next Page IconTo Next Page
To Previous Page IconTo Previous Page
To Previous Page IconTo Previous Page
Loading...
Doc Title Wireless Smart Audio Module-A98 Datasheet
Number
WMB20180504
Version
0.6
Document No.: WMB20180504 Page 16 of 23
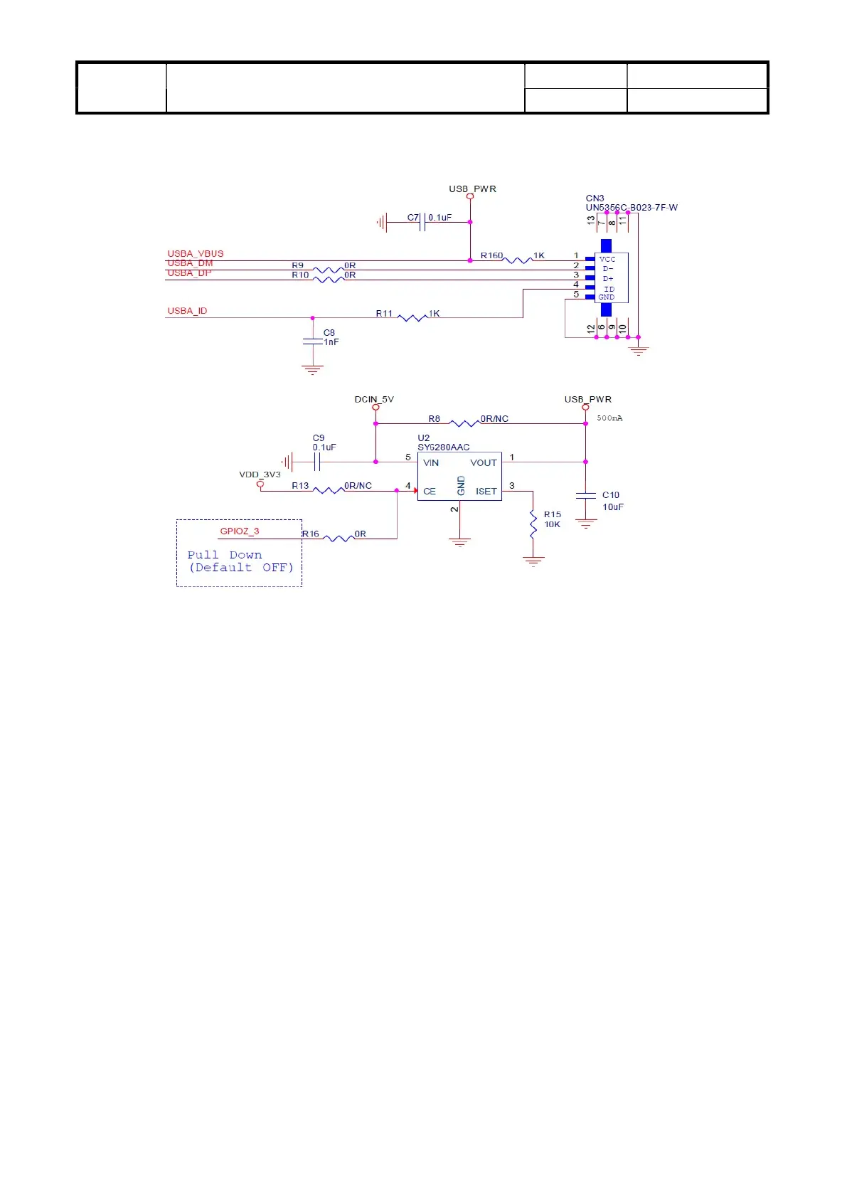
Power and OTG