EasyManua.ls Logo

Linx Technologies TT Series - Page 20

Linx Technologies TT Series
23 pages
Print Icon
To Next Page IconTo Next Page
To Next Page IconTo Next Page
To Previous Page IconTo Previous Page
To Previous Page IconTo Previous Page
Loading...
– – – –
34
35
C12
0.1uF
VCC
GND
GND
MODE_IND
R8
330
D4
MODE_IND BLUE
IN
1
VCC
2
GND
3
NC
4
COM
5
NO
6
U5
MAX4544EUT
MODE_IND_MT
GND
C10
0.1uF
//IDENTITY
VCC
GND
IDENTITY
GND
VCC
A
1
GND
2
B
3
/B
4
VCC
5
/A
6
U7
NC7WZ04
GND
C11
0.1uF
/IDENTITY
/IDENTITY //IDENTITY
R24
10k
S2
VCC
PAIR
PAIR CRT_LRN
GND
GND
+
C8
100uF
VCC
GND
Vin
1
GND
2
Vout
3
U4
LM3940IMP 3.3V
C9
0.47uF
GND
IN
1
GND
2
EN
3
FAULT
4
ILIM
5
OUT
6
U3
TPS2552
GND
5VUSB VCCU
GND
R11
53.6k
PWREN#
CMD_DATA_OUT
CMD_DATA_IN
GND
GND
+
C1
4.7uF
C4
0.01uF
L1
600R/1.3A
GND
C6
47pF
R4
0
C2
0.1uF
VCC
12
VCCIO
3
3V3OUT
10
GND
5
GND
13
USBDM
9
USBDP
8
RESET#
11
TXD
1
RXD
4
RTS#
2
CTS#
6
CBUS0
15
CBUS1
14
CBUS2
7
CBUS3
16
U2
FT230X
C5
47pF
PWREN#
C7
0.1uF
GND
5V
1
DAT-
2
DAT+
3
NC
4
GSHD
6
GSHD
7
GND
5
J1
Micro USB
5VUSB
5VUSB
D1
TX/RX_IND ORANGE
RTS
CTS
R2 27
R3 27
R5
330
USB AREA POWER SUPPLY AREA RF MODULE CARRIER AREA
SIGNAL ROUTING
GND
CRT_LRNIN
1
VCC
2
GND
3
NC
4
COM
5
NO
6
U1
MAX4544EUT
GND
C3
0.1uF
SER_I
SER_O
VCC
SER_I/O
U8
VDC
1
RA5
2
RA4
3
MCLR
4
RC5
5
RC4
6
RC3
7
RC2
8
RC1
9
RC0
10
RA2
11
ICSPCLK
12
ICSPDAT
13
GND
14
PIC16F1825-I/ST
VCC GND
PGM
CMD_DATA_IN
CMD_DATA_OUT
CSB RS
SI
SCL
RST
PGC
PGD
R42
DNP
VCCP
R46
0 Ohm
VCC
RS
SI
SCL
RST
CSB
VCC
GND
GND
C13
1uF
GND
C14
1uF
C1-
2
C1+
3
VOUT
4
VCC
5
GND
6
SI
7
SCL
8
CSB
9
RS
10
LED+
1
LED-
12
RST
11
LCD1
2x16 LCD
R6
0 Ohm
CRT_LRN
CMD_DATA_IN
CMD_DATA_OUT
MODE_IND_MT
SER_ISER_O
RTS
CTS
DIR
1
A1
2
A2
3
A3
4
A4
5
A5
6
A6
7
A7
8
A8
9
GND
10
B8
11
B7
12
B6
13
B5
14
B4
15
B3
16
B2
17
B1
18
OE
19
VCC
20
U6
SN74AHC245
VCCVCC
/IDENTITY
GND
CRT_LRN
38
39
40
41
42
43
44
45
46
47
48
49
50
51
52
53
54
55
56
IDENTITY
R9 10k
GND
GND
GND
GND
GND
GND
GND
GND
GND
GND
GND
GND
GND
GND
R35 10k
R34 10k
R33 10k
R32 10k
R30 10k
R28 10k
R22 10k
R21 10k
R18 10k
R15 10k
R14 10k
R13 10k
R12 10k
R10 10k
R36 1k
GND
R38 10k
VCC
R41
0 Ohm
R40
0 Ohm
VCC
GND
SW1
VCC
R1
1 Ohm
MODE_IND
CMD_DATA_IN
CMD_DATA_OUT
GND
GND
GND GND
GND
VCC
1
23
45
67
89
10 11
12 13
14 15
16 17
18 19
20 21
22 23
24 25
26 27
28 29
30 31
32 33
34 35
36 37
J2
Carrier Interconnect
SER_I/O
R29 10k
GND
GND
VCC
GND
VCC
VCC
R27 10k
R25 10k
R20 10k
R17 10kR1610k
R1910k
R3110k
VCC
PAIR
GND
R7 10k
GND
R2310k
GND
R2610k
GND
R3710k
GND
R3910k
GND
R4310k
R44 10k
GND
R45 10k
GND
RF
1
GND
2-5
ANT1
GND
GND
X1
1nH
X3
DNP
GND
X2
DNP
MICROCONTROLLER AREA
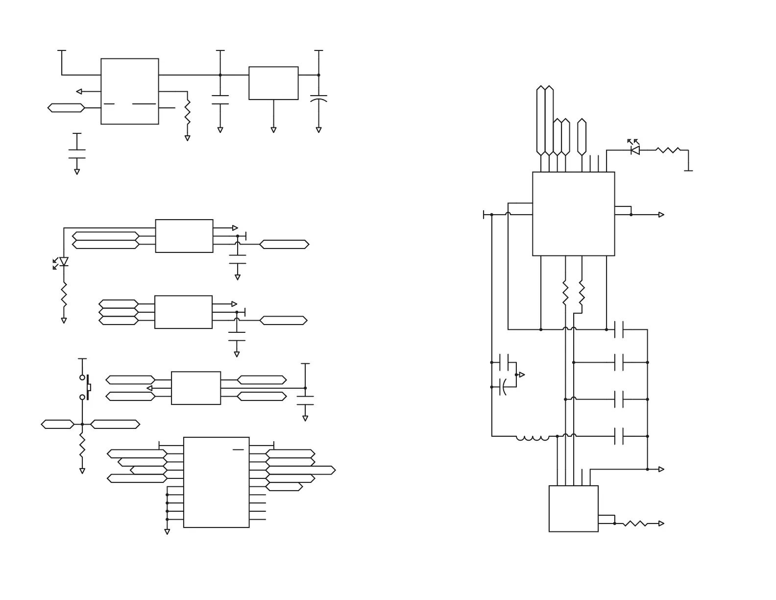
Figure 44: Programming Dock Board Power Supply Area Schematic
C12
0.1uF
VCC
GND
GND
MODE_IND
R8
330
D4
MODE_IND BLUE
IN
1
VCC
2
GND
3
NC
4
COM
5
NO
6
U5
MAX4544EUT
MODE_IND_MT
GND
C10
0.1uF
//IDENTITY
VCC
GND
IDENTITY
GND
VCC
A
1
GND
2
B
3
/B
4
VCC
5
/A
6
U7
NC7WZ04
GND
C11
0.1uF
/IDENTITY
/IDENTITY //IDENTITY
R24
10k
S2
VCC
PAIR
PAIR CRT_LRN
GND
GND
+
C8
100uF
VCC
GND
Vin
1
GND
2
Vout
3
U4
LM3940IMP 3.3V
C9
0.47uF
GND
IN
1
GND
2
EN
3
FAULT
4
ILIM
5
OUT
6
U3
TPS2552
GND
5VUSB VCCU
GND
R11
53.6k
PWREN#
CMD_DATA_OUT
CMD_DATA_IN
GND
GND
+
C1
4.7uF
C4
0.01uF
L1
600R/1.3A
GND
C6
47pF
R4
0
C2
0.1uF
VCC
12
VCCIO
3
3V3OUT
10
GND
5
GND
13
USBDM
9
USBDP
8
RESET#
11
TXD
1
RXD
4
RTS#
2
CTS#
6
CBUS0
15
CBUS1
14
CBUS2
7
CBUS3
16
U2
FT230X
C5
47pF
PWREN#
C7
0.1uF
GND
5V
1
DAT-
2
DAT+
3
NC
4
GSHD
6
GSHD
7
GND
5
J1
Micro USB
5VUSB
5VUSB
D1
TX/RX_IND ORANGE
RTS
CTS
R2 27
R3 27
R5
330
USB AREA POWER SUPPLY AREA RF MODULE CARRIER AREA
SIGNAL ROUTING
GND
CRT_LRNIN
1
VCC
2
GND
3
NC
4
COM
5
NO
6
U1
MAX4544EUT
GND
C3
0.1uF
SER_I
SER_O
VCC
SER_I/O
U8
VDC
1
RA5
2
RA4
3
MCLR
4
RC5
5
RC4
6
RC3
7
RC2
8
RC1
9
RC0
10
RA2
11
ICSPCLK
12
ICSPDAT
13
GND
14
PIC16F1825-I/ST
VCC GND
PGM
CMD_DATA_IN
CMD_DATA_OUT
CSB RS
SI
SCL
RST
PGC
PGD
R42
DNP
VCCP
R46
0 Ohm
VCC
RS
SI
SCL
RST
CSB
VCC
GND
GND
C13
1uF
GND
C14
1uF
C1-
2
C1+
3
VOUT
4
VCC
5
GND
6
SI
7
SCL
8
CSB
9
RS
10
LED+
1
LED-
12
RST
11
LCD1
2x16 LCD
R6
0 Ohm
CRT_LRN
CMD_DATA_IN
CMD_DATA_OUT
MODE_IND_MT
SER_ISER_O
RTS
CTS
DIR
1
A1
2
A2
3
A3
4
A4
5
A5
6
A6
7
A7
8
A8
9
GND
10
B8
11
B7
12
B6
13
B5
14
B4
15
B3
16
B2
17
B1
18
OE
19
VCC
20
U6
SN74AHC245
VCCVCC
/IDENTITY
GND
CRT_LRN
38
39
40
41
42
43
44
45
46
47
48
49
50
51
52
53
54
55
56
IDENTITY
R9 10k
GND
GND
GND
GND
GND
GND
GND
GND
GND
GND
GND
GND
GND
GND
R35 10k
R34 10k
R33 10k
R32 10k
R30 10k
R28 10k
R22 10k
R21 10k
R18 10k
R15 10k
R14 10k
R13 10k
R12 10k
R10 10k
R36 1k
GND
R38 10k
VCC
R41
0 Ohm
R40
0 Ohm
VCC
GND
SW1
VCC
R1
1 Ohm
MODE_IND
CMD_DATA_IN
CMD_DATA_OUT
GND
GND
GND GND
GND
VCC
1
23
45
67
89
10 11
12 13
14 15
16 17
18 19
20 21
22 23
24 25
26 27
28 29
30 31
32 33
34 35
36 37
J2
Carrier Interconnect
SER_I/O
R29 10k
GND
GND
VCC
GND
VCC
VCC
R27 10k
R25 10k
R20 10k
R17 10kR1610k
R1910k
R3110k
VCC
PAIR
GND
R7 10k
GND
R2310k
GND
R2610k
GND
R3710k
GND
R3910k
GND
R4310k
R44 10k
GND
R45 10k
GND
RF
1
GND
2-5
ANT1
GND
GND
X1
1nH
X3
DNP
GND
X2
DNP
MICROCONTROLLER AREA
Figure 45: Programming Dock Board Signal Routing Schematic
C12
0.1uF
VCC
GND
GND
MODE_IND
R8
330
D4
MODE_IND BLUE
IN
1
VCC
2
GND
3
NC
4
COM
5
NO
6
U5
MAX4544EUT
MODE_IND_MT
GND
C10
0.1uF
//IDENTITY
VCC
GND
IDENTITY
GND
VCC
A
1
GND
2
B
3
/B
4
VCC
5
/A
6
U7
NC7WZ04
GND
C11
0.1uF
/IDENTITY
/IDENTITY //IDENTITY
R24
10k
S2
VCC
PAIR
PAIR CRT_LRN
GND
GND
+
C8
100uF
VCC
GND
Vin
1
GND
2
Vout
3
U4
LM3940IMP 3.3V
C9
0.47uF
GND
IN
1
GND
2
EN
3
FAULT
4
ILIM
5
OUT
6
U3
TPS2552
GND
5VUSB VCCU
GND
R11
53.6k
PWREN#
CMD_DATA_OUT
CMD_DATA_IN
GND
GND
+
C1
4.7uF
C4
0.01uF
L1
600R/1.3A
GND
C6
47pF
R4
0
C2
0.1uF
VCC
12
VCCIO
3
3V3OUT
10
GND
5
GND
13
USBDM
9
USBDP
8
RESET#
11
TXD
1
RXD
4
RTS#
2
CTS#
6
CBUS0
15
CBUS1
14
CBUS2
7
CBUS3
16
U2
FT230X
C5
47pF
PWREN#
C7
0.1uF
GND
5V
1
DAT-
2
DAT+
3
NC
4
GSHD
6
GSHD
7
GND
5
J1
Micro USB
5VUSB
5VUSB
D1
TX/RX_IND ORANGE
RTS
CTS
R2 27
R3 27
R5
330
USB AREA POWER SUPPLY AREA RF MODULE CARRIER AREA
SIGNAL ROUTING
GND
CRT_LRNIN
1
VCC
2
GND
3
NC
4
COM
5
NO
6
U1
MAX4544EUT
GND
C3
0.1uF
SER_I
SER_O
VCC
SER_I/O
U8
VDC
1
RA5
2
RA4
3
MCLR
4
RC5
5
RC4
6
RC3
7
RC2
8
RC1
9
RC0
10
RA2
11
ICSPCLK
12
ICSPDAT
13
GND
14
PIC16F1825-I/ST
VCC GND
PGM
CMD_DATA_IN
CMD_DATA_OUT
CSB RS
SI
SCL
RST
PGC
PGD
R42
DNP
VCCP
R46
0 Ohm
VCC
RS
SI
SCL
RST
CSB
VCC
GND
GND
C13
1uF
GND
C14
1uF
C1-
2
C1+
3
VOUT
4
VCC
5
GND
6
SI
7
SCL
8
CSB
9
RS
10
LED+
1
LED-
12
RST
11
LCD1
2x16 LCD
R6
0 Ohm
CRT_LRN
CMD_DATA_IN
CMD_DATA_OUT
MODE_IND_MT
SER_ISER_O
RTS
CTS
DIR
1
A1
2
A2
3
A3
4
A4
5
A5
6
A6
7
A7
8
A8
9
GND
10
B8
11
B7
12
B6
13
B5
14
B4
15
B3
16
B2
17
B1
18
OE
19
VCC
20
U6
SN74AHC245
VCCVCC
/IDENTITY
GND
CRT_LRN
38
39
40
41
42
43
44
45
46
47
48
49
50
51
52
53
54
55
56
IDENTITY
R9 10k
GND
GND
GND
GND
GND
GND
GND
GND
GND
GND
GND
GND
GND
GND
R35 10k
R34 10k
R33 10k
R32 10k
R30 10k
R28 10k
R22 10k
R21 10k
R18 10k
R15 10k
R14 10k
R13 10k
R12 10k
R10 10k
R36 1k
GND
R38 10k
VCC
R41
0 Ohm
R40
0 Ohm
VCC
GND
SW1
VCC
R1
1 Ohm
MODE_IND
CMD_DATA_IN
CMD_DATA_OUT
GND
GND
GND GND
GND
VCC
1
23
45
67
89
10 11
12 13
14 15
16 17
18 19
20 21
22 23
24 25
26 27
28 29
30 31
32 33
34 35
36 37
J2
Carrier Interconnect
SER_I/O
R29 10k
GND
GND
VCC
GND
VCC
VCC
R27 10k
R25 10k
R20 10k
R17 10kR1610k
R1910k
R3110k
VCC
PAIR
GND
R7 10k
GND
R2310k
GND
R2610k
GND
R3710k
GND
R3910k
GND
R4310k
R44 10k
GND
R45 10k
GND
RF
1
GND
2-5
ANT1
GND
GND
X1
1nH
X3
DNP
GND
X2
DNP
MICROCONTROLLER AREA
Figure 46: Programming Dock Board USB Area Schematic