EasyManua.ls Logo

Lithonia Lighting WST LED - Final Luminaire Attachment and Wiring; Completing Luminaire Attachment and Wiring; Remote Battery Pack Activation and Charging

Lithonia Lighting WST LED
6 pages
Print Icon
To Next Page IconTo Next Page
To Next Page IconTo Next Page
To Previous Page IconTo Previous Page
To Previous Page IconTo Previous Page
Loading...
9. Reattach the back plate to the premium backbox. Be sure to route wires through the center hole before fastening plate
down so that wiring connections to the luminaire can be remade.
10. Attach the luminaire to the premium backbox via the mounting brackets (refer to installation manual IM-401 which is also
included with the luminaire) and allow the luminaire to hang from the bracket support rod while remaining electrical connec-
tions are made.
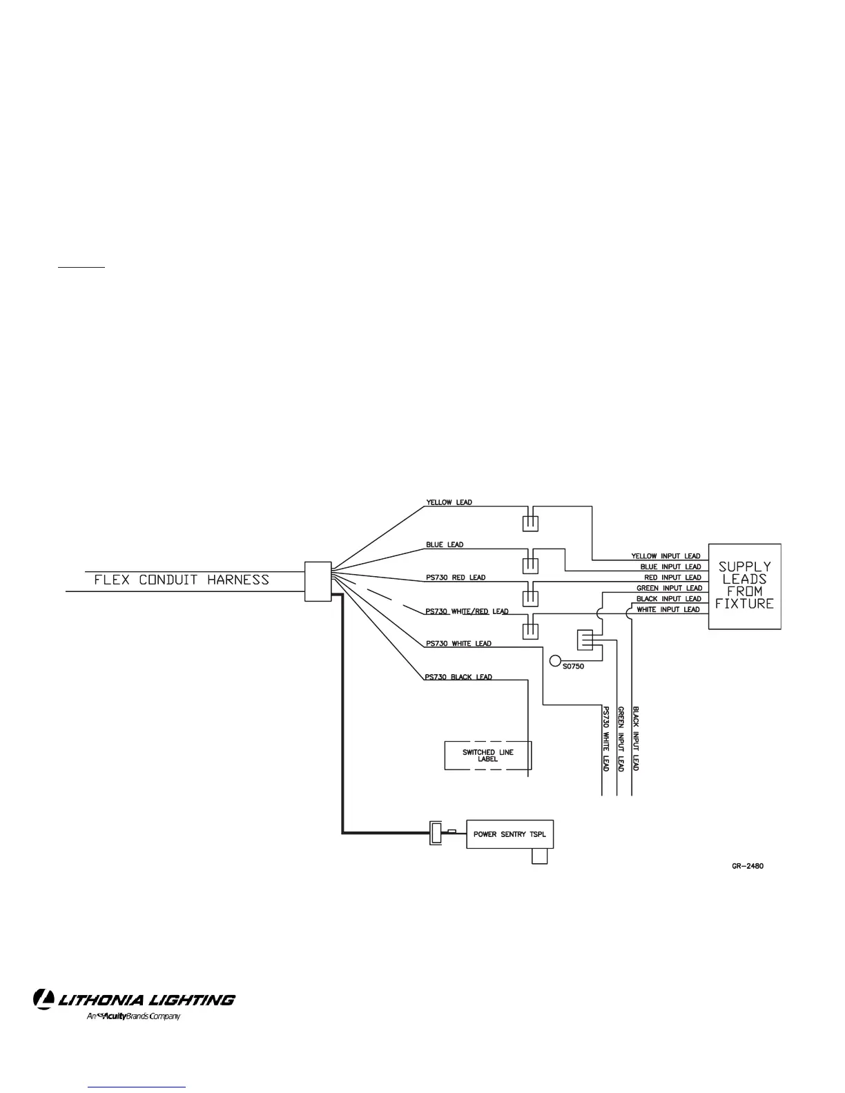
11. Reattach input leads from the luminaire to the leads coming from the premium backbox. Refer to figure 4a or 4b for wiring
diagrams. When the connections are complete, push wiring back through the back plate hole.
12. When all wiring is back inside the premium backbox complete installation of luminaire onto premium backbox (refer again
to installation manual IM-401).
13. E7WHR OPTION ONLY: With luminaire fully installed to wall, open remote battery mounting box and ensure the 4-pin wire
harness is connected to the internal PS730 battery pack. Making this connection will activate the battery pack.
a. The luminaire must be supplied with AC power within 90 minutes of connecting these wires to prevent complete discharge
of the battery pack and to avoid potential damage to the battery.
FOR BOTH REMOTE BATTERY OPTIONS: Allow luminaire to be supplied with AC power for 24 hours before testing to ensure
battery packs are fully charged.
FIGURE 4a:
E7WHR Wiring diagram (GR-2480)
©2016 Acuity Brands Lighting, Inc.
All Rights Reserved.
Lithonia Lighting Outdoor
One Lithonia Way, Conyers, GA 30012
Phone: 800-279-8041 Fax: 770-918-1209
www.lithonia.com
Part Number: IM-405 REV B
Revision Date: 6-24-16
Installation Instructions
WST LED 2016 Premium Back Box