EasyManua.ls Logo

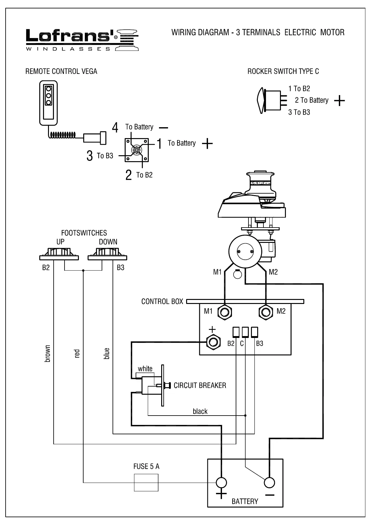
Lofrans PROGRESS ONE - Wiring Diagram; Electric Motor Wiring Configuration

Lofrans PROGRESS ONE
8 pages
Print Icon
To Next Page IconTo Next Page
To Next Page IconTo Next Page
To Previous Page IconTo Previous Page
To Previous Page IconTo Previous Page
Loading...

Related product manuals