EasyManua.ls Logo

LONCIN 2V80FD - Page 31

LONCIN 2V80FD
32 pages
Print Icon
To Next Page IconTo Next Page
To Next Page IconTo Next Page
To Previous Page IconTo Previous Page
To Previous Page IconTo Previous Page
Loading...
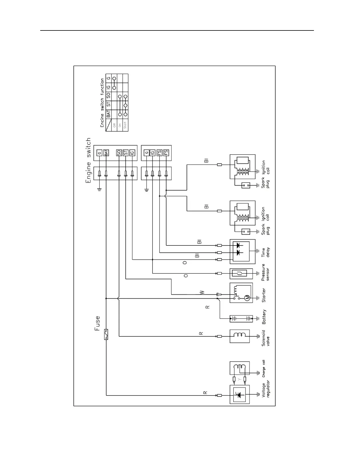
Wiring diagram
- 29 -
12.Wiring diagram
Powered starting engine with oil protection system

Related product manuals