EasyManua.ls Logo

LS tractor I3030 - Page 83

LS tractor I3030
104 pages
Print Icon
To Next Page IconTo Next Page
To Next Page IconTo Next Page
To Previous Page IconTo Previous Page
To Previous Page IconTo Previous Page
Loading...
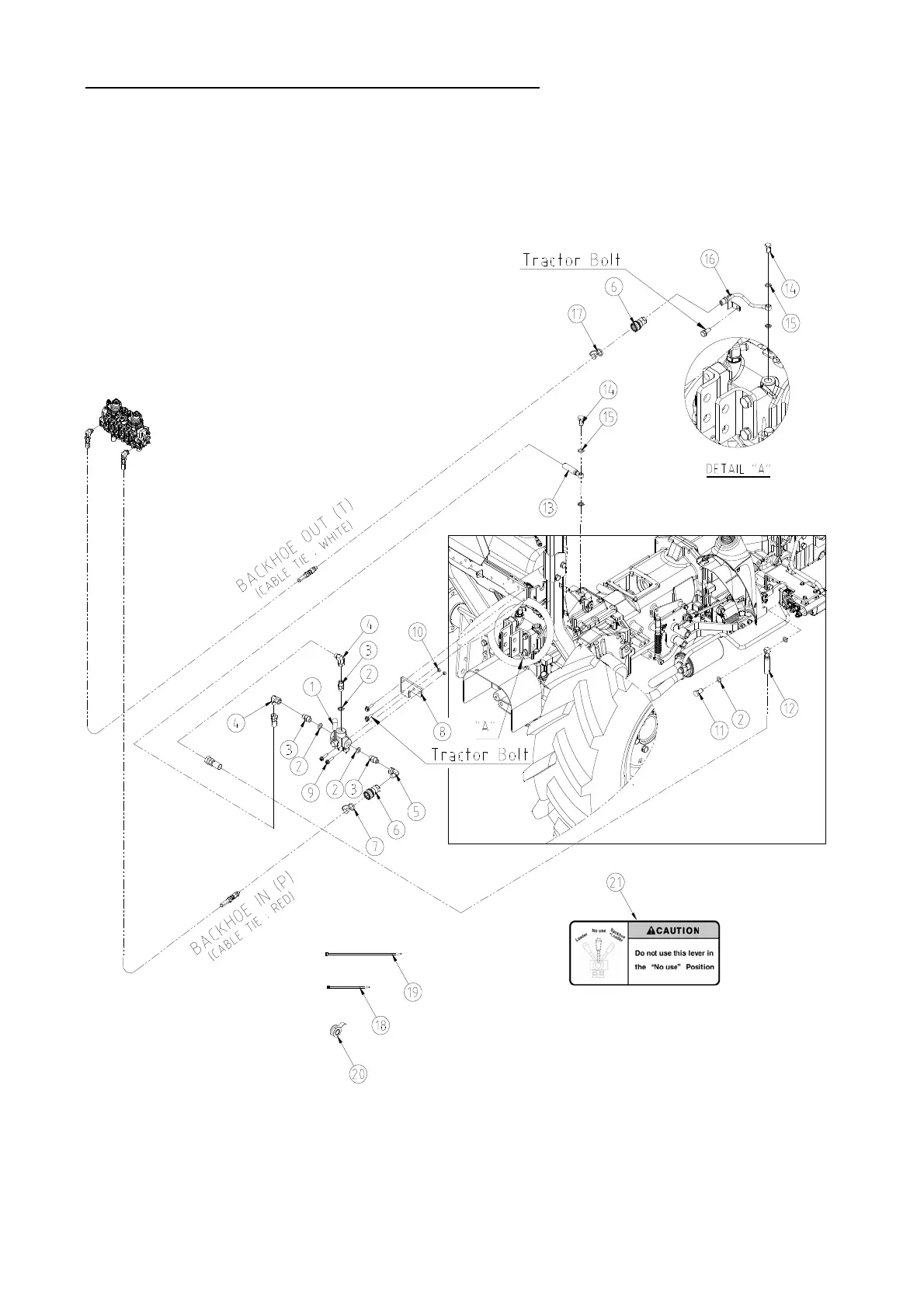
IMBH61. HYDRAULIC LINE
- MT345E/MT350E/MT355E (~S/N 200415068)
- 82 -

Related product manuals