EasyManua.ls Logo

LTB FW09Q6 - Electrical Drawing

Default Icon
17 pages
Print Icon
To Next Page IconTo Next Page
To Next Page IconTo Next Page
To Previous Page IconTo Previous Page
To Previous Page IconTo Previous Page
Loading...
INSTALLATION, OPERATION AND MAINTENANCE MANUAL
FW cooling only range Monosplit single-phase
V6
Caution: the use of a manual that is not up to date with the condensing unit version does not
engage the responsibility of LTB
Page 16 / 17
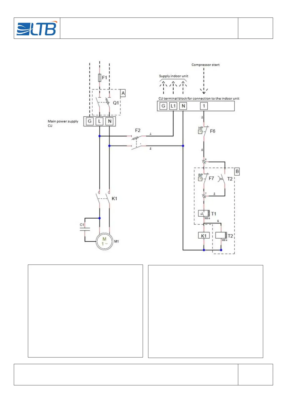
16 ELECTRICAL DRAWING
OPTIONS:
Options are mentioned in dotted lines
A Main switch
B Automatic LP switch
CAPTION:
Wire numbers are underlined
C1 Capacitor Compressor motor
F1 Main circuit protection (Installer)
F2 Control circuit protection
F6 HP pressure switch (manual reset)
F7 LP pressure switch (automatic reset) (Option B)
K1 Compressor contactor
M1 Compressor motor
Q1 Disconnecting switch (Option A)
T1 Anti short cycle relay (Option B)
T2 LP shunt relay at compressor start (Option B)
TERMINAL BLOCK CONDENSING UNIT:
G Earth
L/L1 - Phase
N Neutral
1 Compressor
6/7 LP pressure switch (Option B)
NOTA:
The installer must place the electrical protections according to the
installation instructions and standards in force.
- - - - - - Wiring to be done by the installer