EasyManua.ls Logo

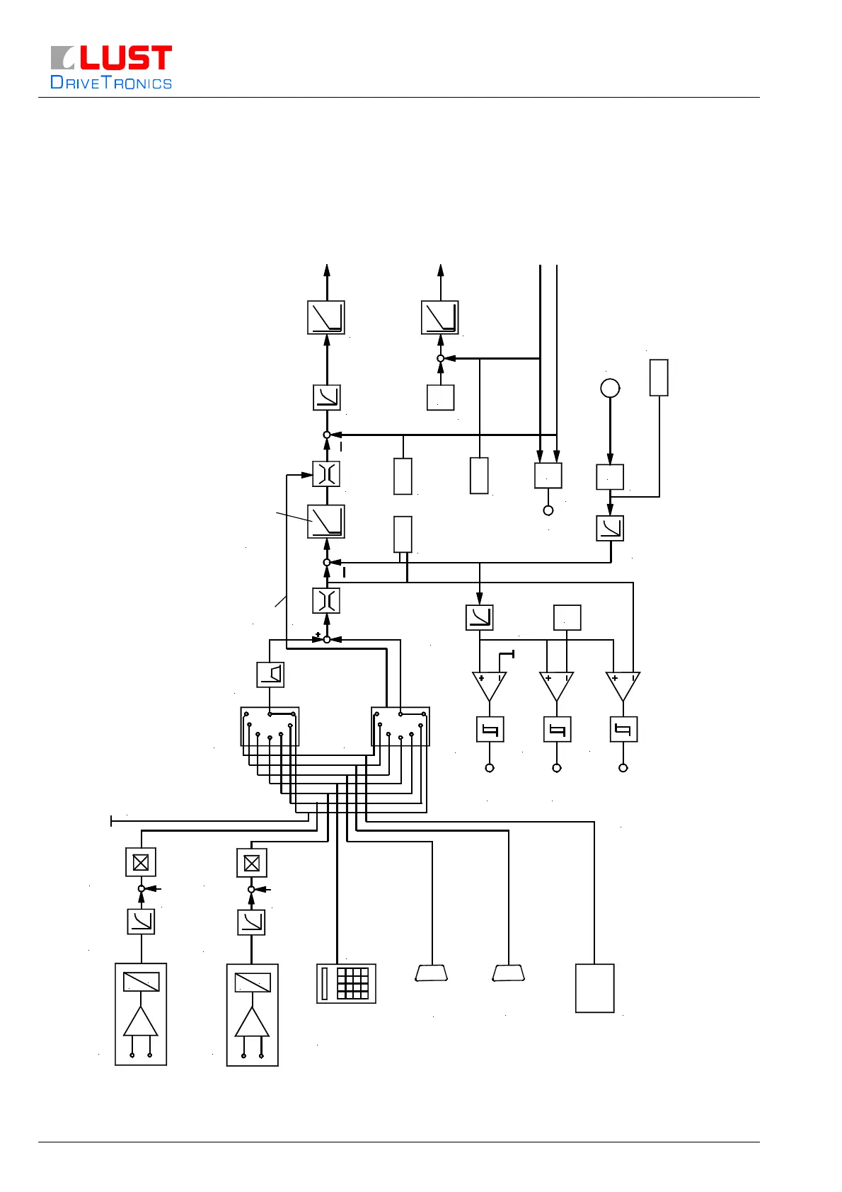
Lust CD 1 Series - Regulator structure with menu points

Lust CD 1 Series
95 pages
To Next Page IconTo Next Page
To Next Page IconTo Next Page
To Previous Page IconTo Previous Page
To Previous Page IconTo Previous Page
Loading...
Verstärkermodul / Amplifier Module
CD_..1 / CD_..2
Nr. / No.: 181-00383
90 01.2003
Appendix - B
Regulator structure with menu points
Indication
n-set/n-act
Menu 31
Indication
isq
Menu 321
external
current limit
n-max
Menu 42312
Analog input 2
Smoothing
Setpoimt 2
Menu 42224
Setpoint 1
Menu 21
Adaptation
Setpoint 2
Menu 42222
Offset 1
Menu 42226
Adaptation
Setpoint 1
Menu 42221
Smoothing
Setpoint 1
Menu 42223
Analog input 1
A
D
Setpoint = 0
Offset 2
Menu 42227
Operator
terminal
A
D
Internal
setpoint
HLA
Menu 4223
Setpoint 2
Menu 22
isq-regulator
vpi: Menu 42271
TNi: Menu 42272
Speed regulator
vpn: Menu 42261
TNn: Menu 42262
I-max:
Menu 42323
I-nominal:
Menu 42324
Smoothing
Current setpoint
Menu 42273
Smoothing
Speed trigger
Menu 42255
Speed
trigger
Menu 42251
RS 232
BUS
Hysteresis n>0
Menu 42254
n > 0
Hysteresis n > n1
Menu 42252
Hysteresis n-act = n-set
Menu 42253
n > n1
n1
Technological
interface
n-act = n-set
isd-regulator
vpi-isd: Menu 42281
TNi-isd: Menu 42282
Indication
isq
Menu 322
isd
Setpoint
Menu 42274
t-up: Menu 42331
t-down: Menu 42332
I²t
X
I²t
Tachodynamo
Indication rotor position
Menu 33
Type of encoder
Menu 4242
n-act-
smoothing
Menu 42241

Related product manuals