EasyManua.ls Logo

MAC TOOLS EM721 - Page 147

MAC TOOLS EM721
246 pages
Print Icon
To Next Page IconTo Next Page
To Next Page IconTo Next Page
To Previous Page IconTo Previous Page
To Previous Page IconTo Previous Page
Loading...
800.MACTOOLS
147
NOTA: No inserte la punta de la sonda de prueba en el TPS ya que puede dañar el enchufe de tipo más
pequeño en el conector de TPS.
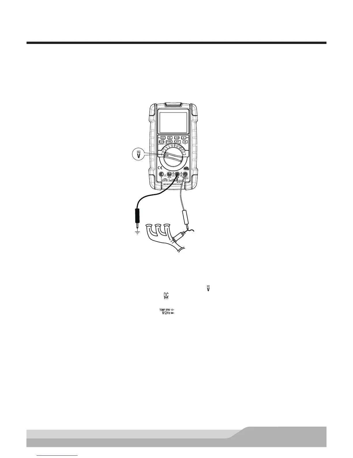
Prueba del sensor de oxígeno (O
2
)
El sensor de oxígeno (lambda) muestra la cantidad de oxígeno (O
2
) en el ujo de escape. El sensor de O
2
produce una tensión de salida que es una relación directa al nivel de oxígeno en el ujo de escape. La
computadora del vehículo utiliza esta señal para cambiar la relación de mezcla de combustible/aire.
Esta prueba verica los niveles de tensión de salida de señal del sensor de O
2
.
Negro
Rojo
Sensor de
Cable de tensión
de la salida de la
señal
Puesta a
tierra en
buen
estado
Múltiple
de escape
O
2
Configuración del medidor para medir la tensión de salida de señal del sensor de oxígeno:
Coloque el interruptor giratorio en la conguración de tensión ( ).
Presione el botón “DC/AC” (CC/CA) hasta que “ ” aparezca en la pantalla.
Inserte el cable de color negro en el conector “COM”.
Inserte el cable de color rojo en el conector “ ”.
Presione el botón “REC” (Registro) (selecciona la función MAX.MIN.AVG).
Conecte:
Sonda de prueba de color negro a puesta a tierra de buena calidad.
Sonda de prueba de color rojo al cable de tensión de salida de la señal.
NOTA: Tenga cuidado de no quemarse con el múltiple de escape caliente.
Haga funcionar el motor a ralentí alto (2,000 RPM) durante unos minutos. La lectura de tensión del sensor
deO
2
deberá ser de entre 100 mV (pobre) y 900 mV (rica).
Una vez que el sensor de O
2
alcance la temperatura de funcionamiento, la lectura de tensión de CC debe
comenzar a barrer. Bajo las condiciones de funcionamiento variables, la tensión del sensor de O
2
se eleva
y cae pero, normalmente, en torno a un promedio de 0.45 V CC.

Related product manuals