EasyManua.ls Logo

MAC TOOLS EM721 - Page 65

MAC TOOLS EM721
246 pages
Print Icon
To Next Page IconTo Next Page
To Next Page IconTo Next Page
To Previous Page IconTo Previous Page
To Previous Page IconTo Previous Page
Loading...
800.MACTOOLS
65
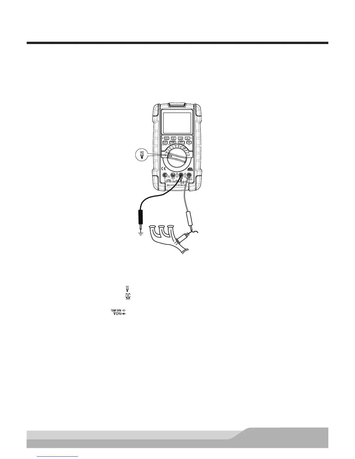
NOTE: Do not insert the test probe tips into the TPS as they may damage the smaller type plug on the TPS
connector.
Oxygen (O
2
) Sensor Test
The Oxygen (Lambda) Sensor samples the amount of oxygen (O
2
) in the exhaust stream. The O
2
sensor produces
an output voltage that is a direct ratio to the oxygen level in the exhaust stream. The vehicle computer uses this
signal to change the air/fuel mixture ratio.
This test checks the signal output voltage levels of the O
2
sensor.
O
2
Black
Red
Sensor
Signal Output
Voltage Wire
Good
Ground
Exhaust
Manifold
Meter setup to measure signal output voltage of the oxygen sensor:
Set the rotary switch to voltage ( ) setting.
Press the “DC/AC” button until “ ” appears on the display.
Insert the black lead in the “COM” jack.
Insert the red lead in the “ ” jack.
Press the “REC” button (selects the MAX.MIN.AVG function).
Connect:
Black test probe to a good quality ground.
Red test probe to the signal output voltage wire.
NOTE: Be careful not to burn yourself on the hot exhaust manifold.
Run the engine at a fast idle (2,000 RPMs) for a few minutes. The O
2
voltage readings should sweep between
100mV (lean) and 900mV (rich).
Once the O
2
sensor reaches operating temperature, the DC voltage reading should begin to sweep. Under
varying operating conditions, the O
2
voltage will rise and fall, but usually averages around 0.45V dc.

Related product manuals