EasyManua.ls Logo

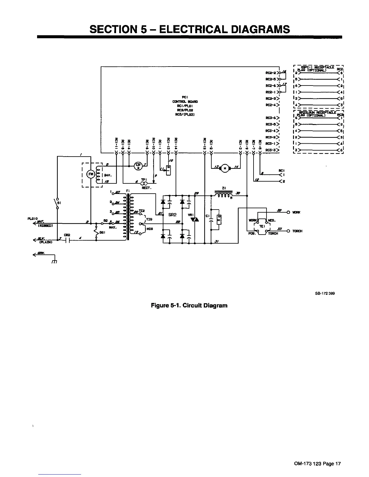
MAC TOOLS MW 145 - SECTION 5 - ELECTRICAL DIAGRAMS; Figure 5-1. Circuit Diagram

MAC TOOLS MW 145
24 pages
Print Icon
To Next Page IconTo Next Page
To Next Page IconTo Next Page
To Previous Page IconTo Previous Page
To Previous Page IconTo Previous Page
Loading...

Related product manuals