EasyManua.ls Logo

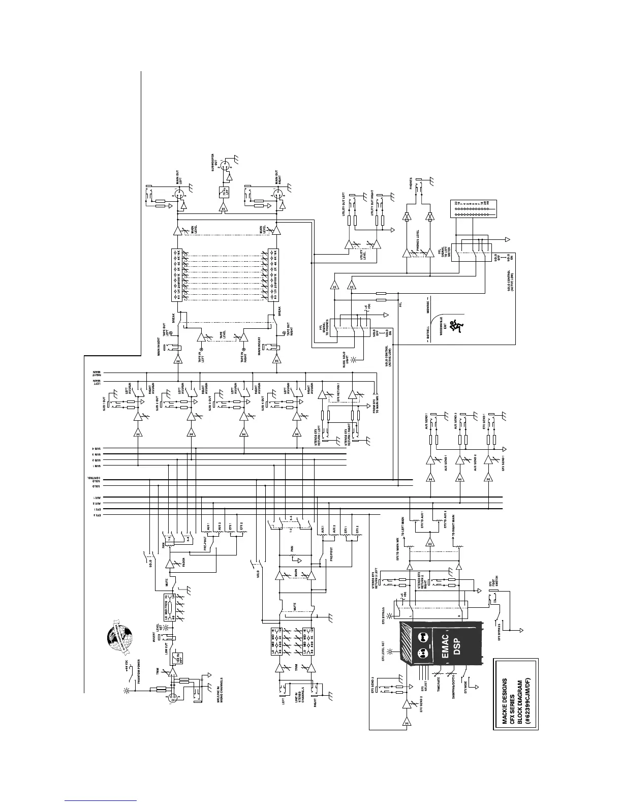
Mackie CFX12 - Blockdiagramm

Mackie CFX12
24 pages
Print Icon
To Next Page IconTo Next Page
To Next Page IconTo Next Page
To Previous Page IconTo Previous Page
To Previous Page IconTo Previous Page
Loading...
23

Related product manuals