EasyManua.ls Logo

Mackie MTEST-1 - Mtest-1 Cable Tester Block Diagram

Mackie MTEST-1
10 pages
Print Icon
To Next Page IconTo Next Page
To Next Page IconTo Next Page
To Previous Page IconTo Previous Page
To Previous Page IconTo Previous Page
Loading...
MTest-1 Cable Tester
8
MTest-1 Cable Tester
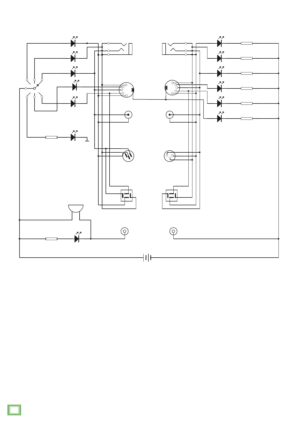
MTest-1 Cable Tester Block Diagram
DIN A
DIN B
Phono BPhono A
1
3
2
XLR/M
1
3
2
XLR/F
2+
2-
1-
1+
SPEAKON
BANANA-R BANANA-B
G
Y
G
Y
Y
G
Y
Y
R
Y
G
G
G
BUZ1
K1
9V
BATTERY
2+
2-
1-
1+
SPEAKON
GND
1 2 3
456
TRS-JACK BTRS-JACK A
FIXED RESISTANCE
FIXED RESISTANCE
FIXED RESISTANCE
FIXED RESISTANCE
FIXED RESISTANCE
FIXED RESISTANCE
FIXED RESISTANCE
FIXED RESISTANCE