EasyManua.ls Logo

Mackie ProFX10v3 - Page 32

Mackie ProFX10v3
42 pages
Print Icon
To Next Page IconTo Next Page
To Next Page IconTo Next Page
To Previous Page IconTo Previous Page
To Previous Page IconTo Previous Page
Loading...
ProFXv3 Professional Effects Mixer with USB
ProFXv3 Professional Effects Mixer with USB
32
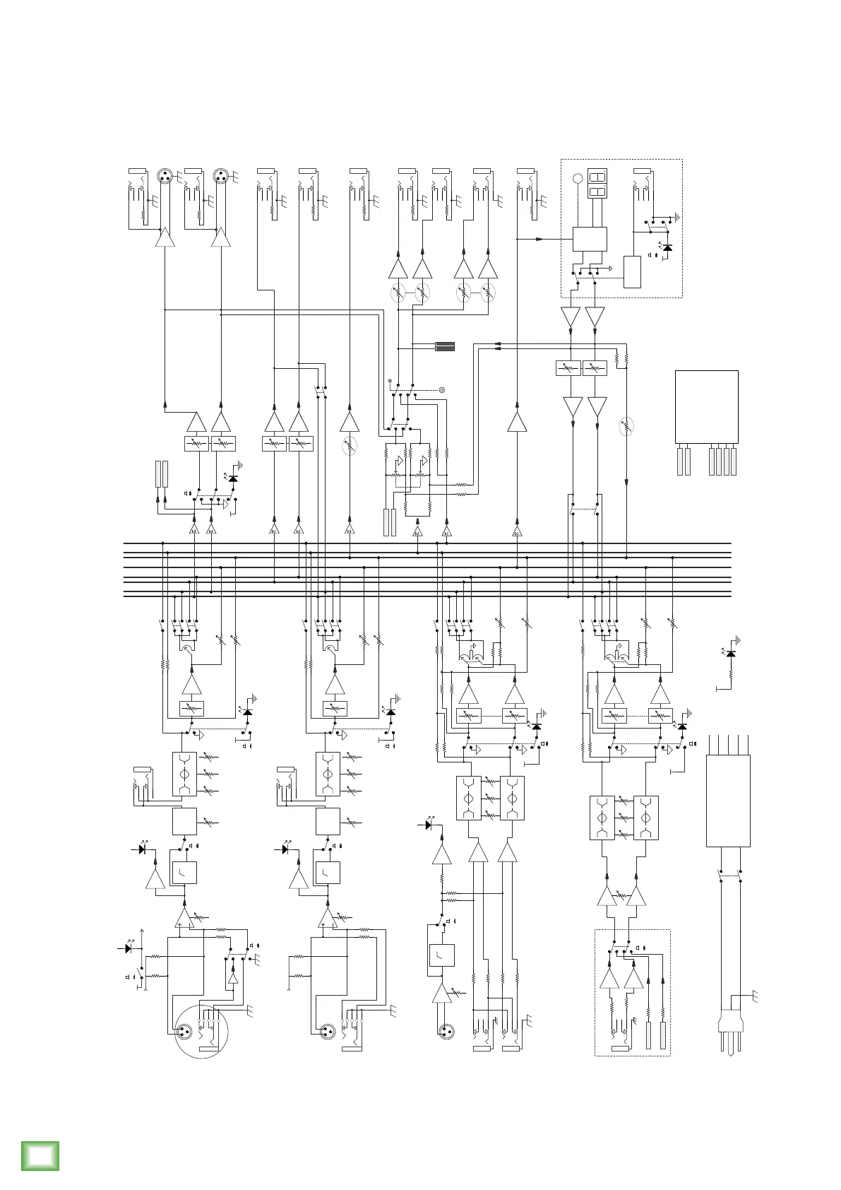
ProFX12v3 Block Diagram
L
1
FX module
Out L
Out R
In
4
3
1
5
2
4
3
1
5
2
Stereo Channel
L
R
Gain
Mic:0t o +60dB
Line: -20 to +40dB
Phantom Power
Mic/Line/Line-Hi-Z
Mono Channel
Line
Hi-Z
1-2CH
5-10CH
TRS 1/4"
R
4
3
1
5
2
Main Meters
POWER BOARD
4
3
1
5
2
Stereo Channel
select
11-12CH
TRS 1/8"
Combo
Left
Preset Select
FX
Display
4
3
1
5
2
Footswitch
FX Bypass
Logic
Preset Select
low cut
100Hz
COMP
4
3
1
5
2
INSERT
2
CH FADER
CH FX
Phantom Power
(To All Mics)
OFF
ON
USB3
USB4
Break switch
VCC
Main Output
DIRECT MON
CR LEVEL
4
3
1
5
2
Left
4
3
1
5
2
Right
4
3
1
5
2
PHONES LEVEL
OFF
ON
VCC
FX MUTE
USB AUDIO
Out
In
USB3
USB4
USB1
USB2
USB_in_L
USB_in_R
USB_in_L
USB_in_R
Level set
up to 192k/24bit
VCC
+15V
-15V
+48V
+5V
GND
Power Led
VCC
Switch/LED
Global 48v
Right
Control Room
Out
FX SEND
Phones
FX FADER
Note: Switch are shown in the default (out) position.
Mute Switch/LED
low cut In
Line
Mic
POWER SWITCH
AC 100-240V
PAN
L/R
FX
MON1
DIRECT_MON
SOLO
SUB1_2
MON1
SOLO
Gain
Mic:0 to +60dB
Phantom Power
Mic/Line
Mono Channel
3-4CH
XLR
low cut
100Hz
COMP
4
3
1
5
2
INSERT
Level set
low cut In
Line
Mic
Mic:0t o +60dB
CH FX
Level set
L/R
SUB1_2
MON1
SOLO
VCC
Mute Switch/LED
CH FADER
PAN
CH FX
L/R
SUB1_2
MON1
SOLO
VCC
Mute Switch/LED
CH FADER
PAN
USB2
USB1
PFL_L
PFL_R
PFL SOLO Logic
4
3
1
5
2
4
3
1
5
2
4
3
1
5
2
SUB1
4
3
1
5
2
SUB2
SUB1-2 OUT
SUB1-2
FADER
SUB1/2 TO L/R
4
3
1
5
2
MON SEND
AUX MASTER
FX TO SUB1_2
FX TO MON1
G
AC IN
AC MALE
BLEND
DIRECT MON
TO PHONES/CR
Main
FADER
Out
OFF
ON
OFF
ON
OFF
ON
Lo Hi
80 12k
3-Band EQ
Mid
2.5k
CH FADER
CH FX
VCC
Mute Switch/LED
PAN
L/R
SUB1_2
MON1
SOLO
Lo Hi
80 12k
3-Band EQ
Mid
2.5k
Gain
Line: -20 to +20dB
LEVEL
CH 1-10
Lo Hi
80 12k
Mid
2.5k
Lo Hi
80 12k
Mid
2.5k
Lo Hi
80 12k
Mid
2.5k
Lo Hi
80 12k
Mid
2.5k
low cut In
OFF
ON
low cut
100Hz
3-Band EQ
3-Band EQ
RUDE SOLO LED
Main
SUB
L
R
2
FX
MON1
D
IRECT_MON
SOLO
Main
SUB
1
TRS
GAIN

Other manuals for Mackie ProFX10v3

Related product manuals