EasyManua.ls Logo

Mackie ProFX16v3 - Page 31

Mackie ProFX16v3
42 pages
Print Icon
To Next Page IconTo Next Page
To Next Page IconTo Next Page
To Previous Page IconTo Previous Page
To Previous Page IconTo Previous Page
Loading...
31
Owners Manual
Owner’s Manual
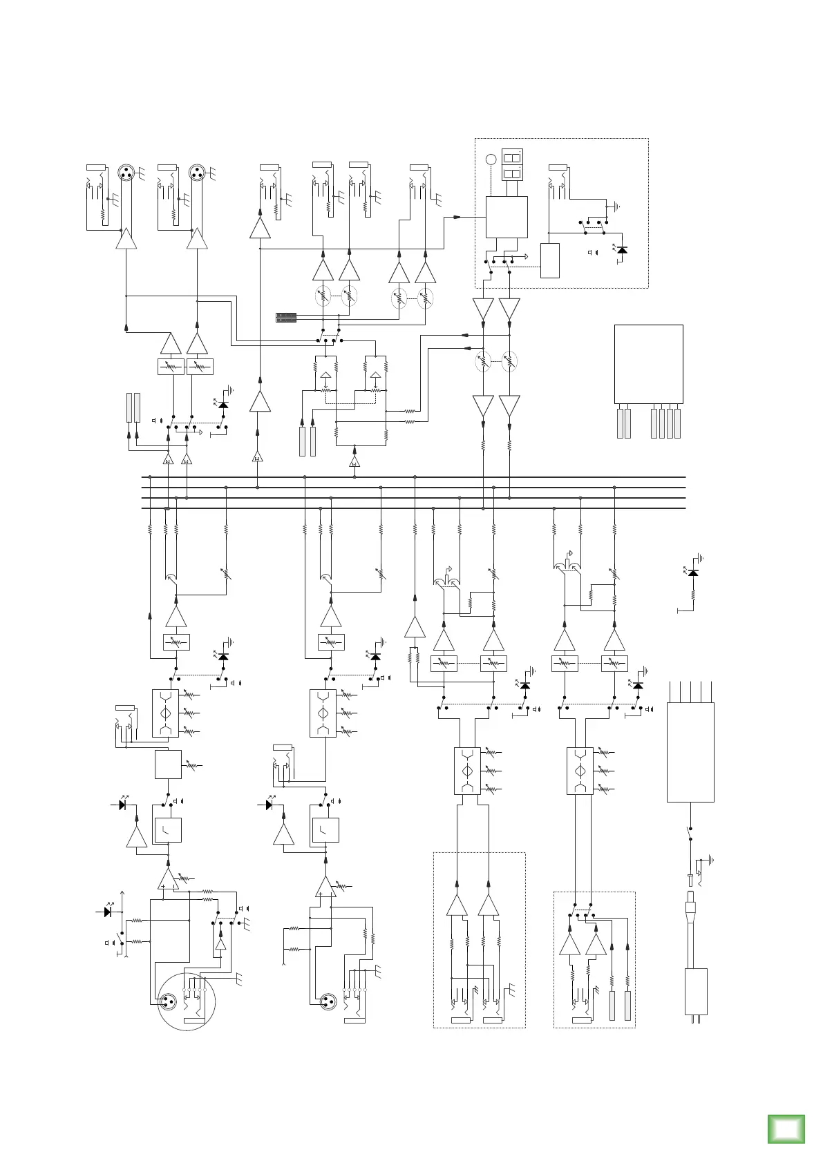
ProFX10v3 Block Diagram
Main L
FX
FX module
Out L
Out R
In
Lo Hi
80 12k
4
3
1
5
2
4
3
1
5
2
Stereo Channel
L
R
Gain
Mic: 0 to +60dB
Line: -20 to +40dB
Phantom Power
Mic/Line/Line-Hi-Z
Mono Channel
Line
Hi-Z
1-2CH
5-8CH
TRS 1/4"
Main R
4
3
1
5
2
Main Meters
DC TO DC POWER BOARD
Lo Hi
80 12k
4
3
1
5
2
Stereo Channel
select
9-10CH
TRS 1/8"
Combo
Preset Select
FX
Display
4
3
1
5
2
Footswitch
FX Bypass
Logic
Preset Select
3-Band EQ
Mid
2.5k
3-Band EQ
Mid
2.5k
Lo Hi
80 12k
3-Band EQ
Mid
2.5k
low cut
100Hz
COMP
4
3
1
5
2
INSERT
DIRECT MON
CH LEVEL
CH FX
Phantom Power
(To All Mics)
Phantom Power
Gain
Lo Hi
80 12k
3-Band EQ
Mic /Line
Mono Channel
3-4CH
OFF
ON
Mid
2.5k
Mic: 0 to +60dB
Line: -20 to +40dB
low cut
100Hz
4
3
1
5
2
INSERT
CH FX
PAN
USB3
USB4
PAN
Break switch
Main Output
USB2
DIRECT MON TO PHONES/CR
DIRECT MON BLEND
CR LEVEL
4
3
1
5
2
Left
4
3
1
5
2
Right
4
3
1
5
2
PHONES LEVEL
OFF
ON
FX MUTE
USB AUDIO
Out
In
USB3
USB4
USB1
USB2
USB_in_L
USB_in_R
USB in L
USB in R
Level set
Level set
up to 192k/24bit
+15V
-15V
+48V
+5V
GND
POWER ADAPTER
Power Led
Switch/LED
Global 48v
CH FX
CH FX
Main LEVEL
Control Room
Out
FX Send
Phones
FX LEVEL
Note: Switch are shown in the default (out) position.
Mute Switch/LED
low cut in
Mute Switch/LED
Mute Switch/LED
Mute Switch/LED
low cut in
Line
Mic
XLR
Line
Mic
POWER SWITCH
1
2
3
AC 100-240V
POWER JACK
Main L
FX
Main R
DIRECT MON
PAN
PAN
CH LEVEL
CH LEVEL
CH LEVEL
CH 1-8
USB1
Left
4
3
1
5
2
4
3
1
5
2
Right
TRS

Other manuals for Mackie ProFX16v3

Related product manuals