EasyManua.ls Logo

Macurco CM-12 - Page 59

Macurco CM-12
72 pages
Print Icon
To Next Page IconTo Next Page
To Next Page IconTo Next Page
To Previous Page IconTo Previous Page
To Previous Page IconTo Previous Page
Loading...
11
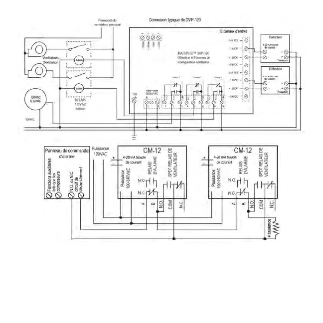
Autre connexion à un panneau d'alarm
Dans cette application (ci-dessous), le ventilateur ou le relais primaire est utilisé comme un relais d'alarme de bas niveau. Le relais
d'alarme ou secondaire est utilisée dans la configuration normalement fermée d'un relais de surveillance. Les détecteurs fonctions
critiques sont tous contrôlés par le diagnostic de logiciels qui testent en permanence et vérifier son fonctionnement. Si un problème est
détecté, l'appareil passe en mode de trouble. Dans ce mode de trouble ou d'erreur, du relais d'alarme seront activés et le détecteur
clignote le code d'erreur indiquant l'état de la difficulté au niveau du détecteur et le panneau de commande. Dans le cas d'une perte de
puissance au niveau du détecteur, l'alarme ou relais secondaire utilisé dans la configuration normalement fermée changent d'état
indiquant l'état de la trouble à le panneau de commande.

Related product manuals