EasyManua.ls Logo

Madas M16/RM N.C. - Page 8

Madas M16/RM N.C.
9 pages
Print Icon
To Next Page IconTo Next Page
To Next Page IconTo Next Page
To Previous Page IconTo Previous Page
To Previous Page IconTo Previous Page
Loading...
MADAS
© 2004 MADAS s.r.l.
pag. 8
M16/RM N.C. - M16/RMO N.C.
Capitolo 5 /
Chapter 5
MADAS - Manuale Tecnico 2004 - Edizione 1
MADAS - 2004 Technical Manual - Ediction 1
®
ELETTROVALVOLE A RIARMO MANUALE NORMALMENTE
CHIUSE TIPO M16/RM N.C. - M16/RMO N.C.
NORMALLY-CLOSED MANUAL RESET SOLENOID VALVES
TYPE M16/RM N.C. - M16/RMO N.C.
g. 6
12
19
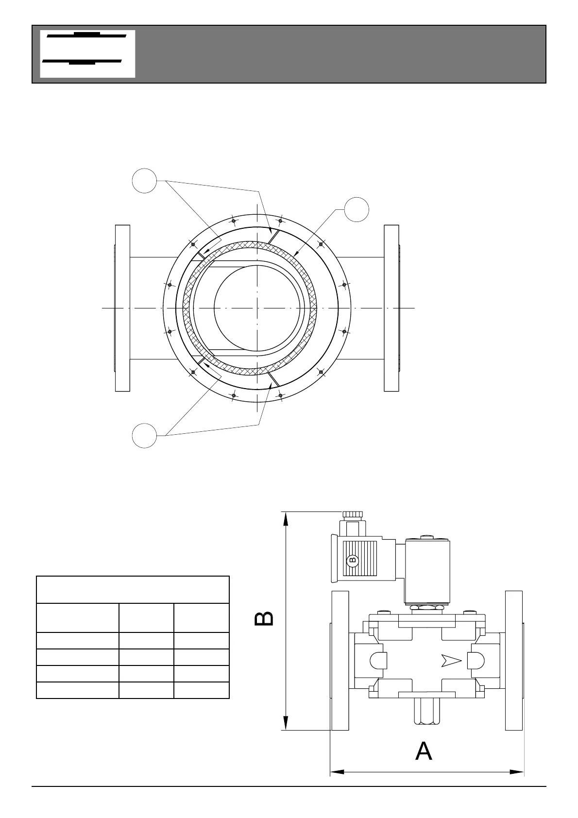
PER INSERIRE L'ORGANO FILTRANTE IN DN 125 - DN 150:
Posizionarlo come in gura, in modo che le apposite alette (19) risultino appog-
giate al corpo. In ne rimontare il coperchio facendo attenzione che l'O-Ring sia
sistemato nell'apposita cava
TO INSERT THE FILTERING ORGAN IN DN 125 - DN 150:
Put it as in gure, so that the special ns (19) are leant against the body. So
reassemble the cover paying attention that the O-Ring is into the right hole
19
Misure di ingombro in mm
Overall dimensions in mm
Attacchi
Connections
AB
DN 25 160 180
DN 32 200 237
DN 40 200 237
DN 50 216 266
VERSIONI CON ATTACCHI (DN 25 - DN 32 - DN 40 - DN 50) FLANGIATI
VERSIONS (DN 25 - DN 32 - DN 40 - DN 50) WITH FLANGED CONNECTIONS

Related product manuals