EasyManua.ls Logo

Malmbergs AHC15A - TECHNICAL DATA; DIMENSIONS

Malmbergs AHC15A
Print Icon
To Next Page IconTo Next Page
To Next Page IconTo Next Page
To Previous Page IconTo Previous Page
To Previous Page IconTo Previous Page
Loading...
14
Supply voltage: AC 180-250V, 50/60Hz
Time accuracy: <2 sec/day (25°C)
On/off operation: 16 ON & 16 OFF
18 pulse intervals
Power consumption: Max. 7.5VA
Display: LCD
Service life
Mechanic operations: 10
7
Electric operations: 10
5
Minimal interval: 1 minute
Weight: Approx. 150 g
Count down: 1 sec - 99 min 59 sec
Pulse interval: 1 sec - 59 min 59 sec
Load capacity
Resistive load: 16A/250V AC
Inductive load: 10A/250V AC
Lamp load: 2000W
Switching contact: 1 changeover, zero-potential
Power reserve: 3 years (lithium battery)
Ambient temperature: -10°C to +40°C
Ambient humidity: 35-85% RH
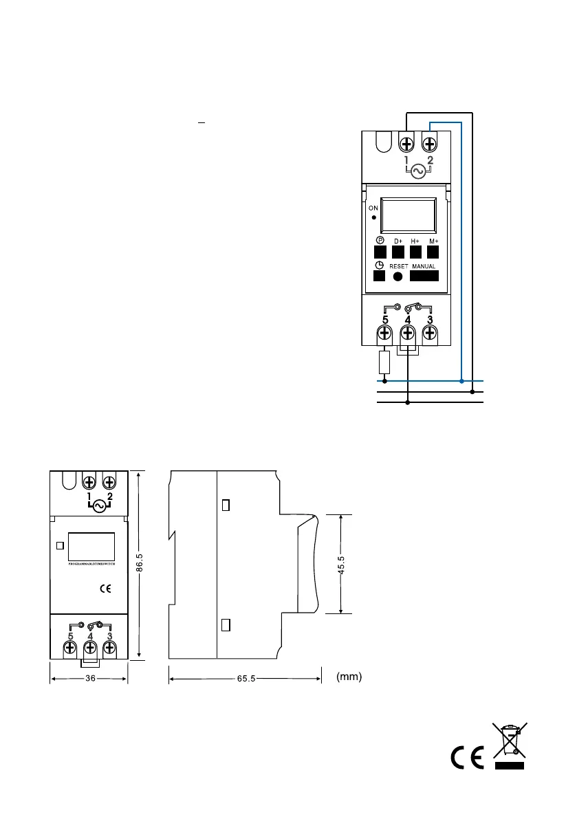
TECHNICAL DATA WIRING DIAGRAM
Load
L2 or L1
L1
N
DIMENSIONS

Related product manuals