EasyManua.ls Logo

Malmbergs AHC15A - Tekniska Data

Malmbergs AHC15A
Print Icon
To Next Page IconTo Next Page
To Next Page IconTo Next Page
To Previous Page IconTo Previous Page
To Previous Page IconTo Previous Page
Loading...
6
Manöverspänning: AC 180-250V, 50/60Hz
Gångnoggrannhet: <2 sek/dag (25°C)
Minneskapacitet: 16 till- och frånslag,
18 impulsintervaller
Effektförbrukning: Max. 7,5VA
Display: LCD
Livslängd
Mekaniska operationer: 10
7
Elektriska operationer: 10
5
Kortaste kopplingstid: 1 minut
Vikt: C:a 150 g
Nedräkningstid: 1 sek - 99 min 59 sek
Impulsintervall: 1 sek - 59 min 59 sek
Belastning
Resistiv belastning: 16A/250V AC
Induktiv belastning: 10A/250V AC
Glödljusbelastning: 2000W
Kontaktfunktion: 1 växlande, potentialfri
Gångreserv: 3 år (litiumbatteri)
Omgivningstemperatur: -10°C till +40°C
Luftfuktighet: 35-85% RH
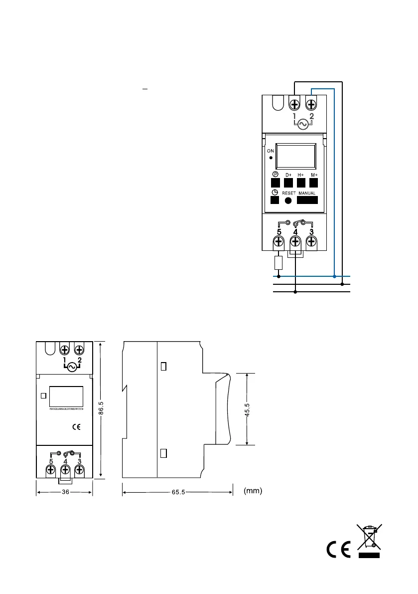
TEKNISKA DATA KOPPLINGSSCHEMA
Last
L2 alt. L1
L1
N
DIMENSIONER

Related product manuals