EasyManua.ls Logo

Manaras Opera-MH - SPECIFICATIONS

Manaras Opera-MH
28 pages
Print Icon
To Next Page IconTo Next Page
To Next Page IconTo Next Page
To Previous Page IconTo Previous Page
To Previous Page IconTo Previous Page
Loading...
4
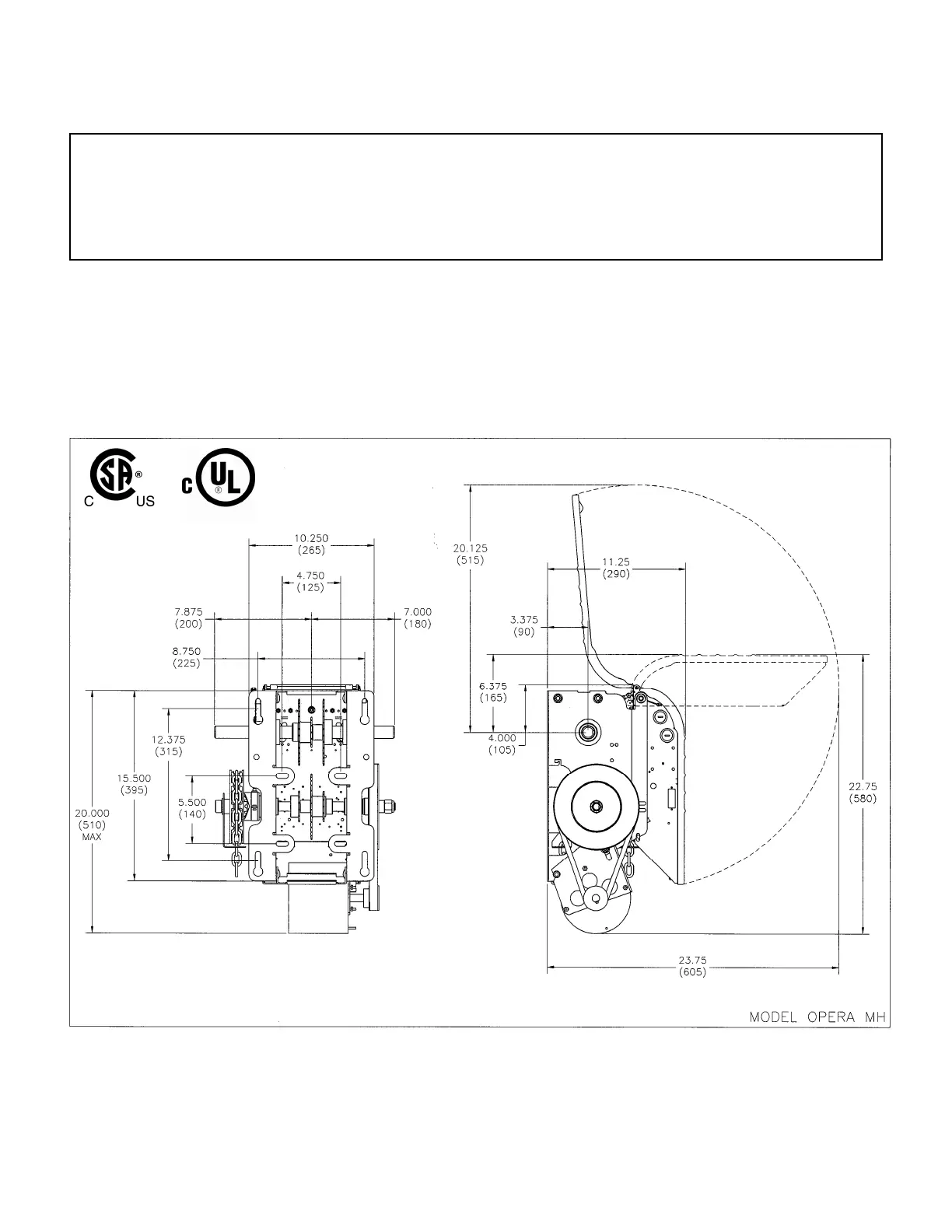
SPECIFICATIONS
GENERAL
DIMENSIONS
(Opera-MH)
SUPPLY VOLTAGE………………….. 115 VAC single phase
CONTROL VOLTAGE………………. 24VAC class 2 transformer, 2 amp fuse type ACG
MOTOR………………………………. Intermittent duty ½ Horsepower
OPERATOR OUTPUT SPEED……… 39 RPM
NET WEIGHT (Operator only)……… 71 Lbs (33 Kg) for Opera-MH and 61lbs (28 Kg) for Opera-MJ
STANDARD WIRING TYPE………… C2-momentary contact to open and stop and constant pressure to close

Related product manuals