EasyManua.ls Logo

Manitou MHT 10225 LT-E3 - Page 158

Manitou MHT 10225 LT-E3
223 pages
Print Icon
To Next Page IconTo Next Page
To Next Page IconTo Next Page
To Previous Page IconTo Previous Page
To Previous Page IconTo Previous Page
Loading...
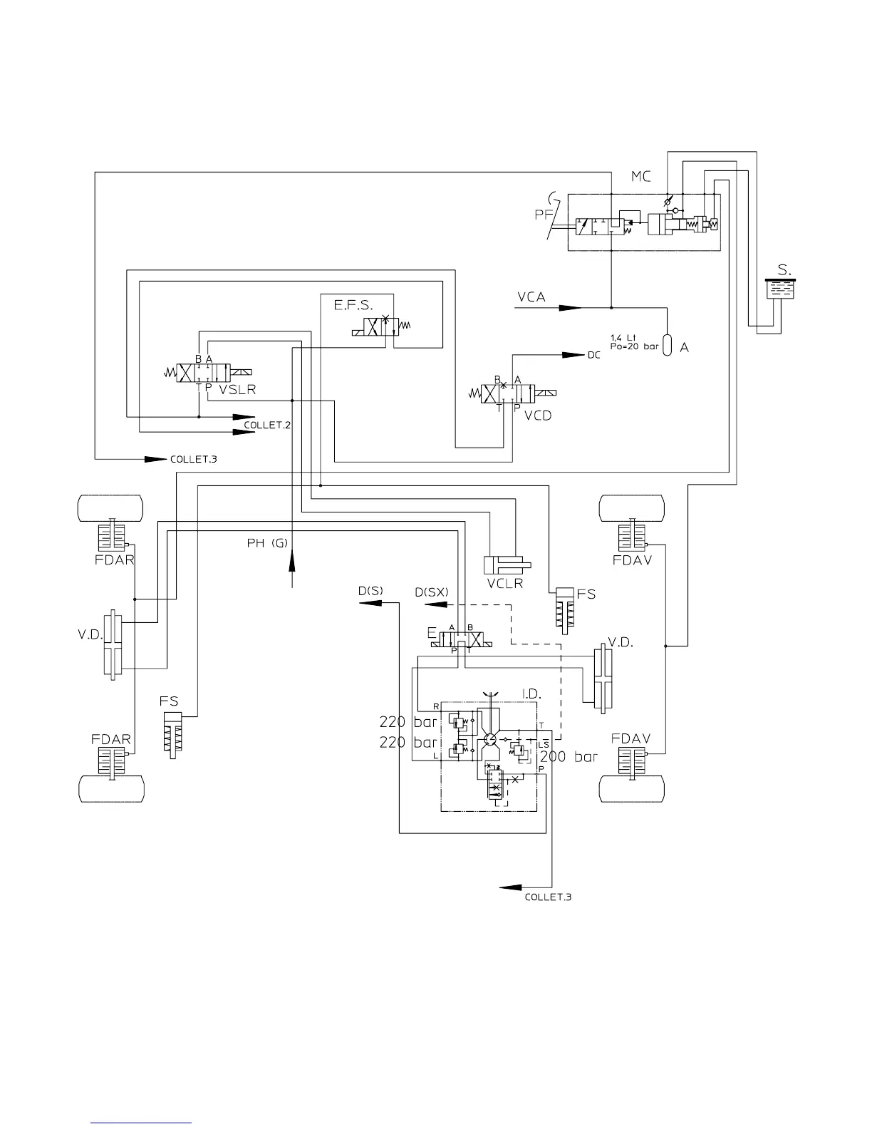
GEARBOX/BRAKE/STEERING SYSTEM DIAGRAM

Table of Contents