EasyManua.ls Logo

Manitou MHT 10225 LT-E3 - Dimensions and Load Chart

Manitou MHT 10225 LT-E3
223 pages
Print Icon
To Next Page IconTo Next Page
To Next Page IconTo Next Page
To Previous Page IconTo Previous Page
To Previous Page IconTo Previous Page
Loading...
2-14
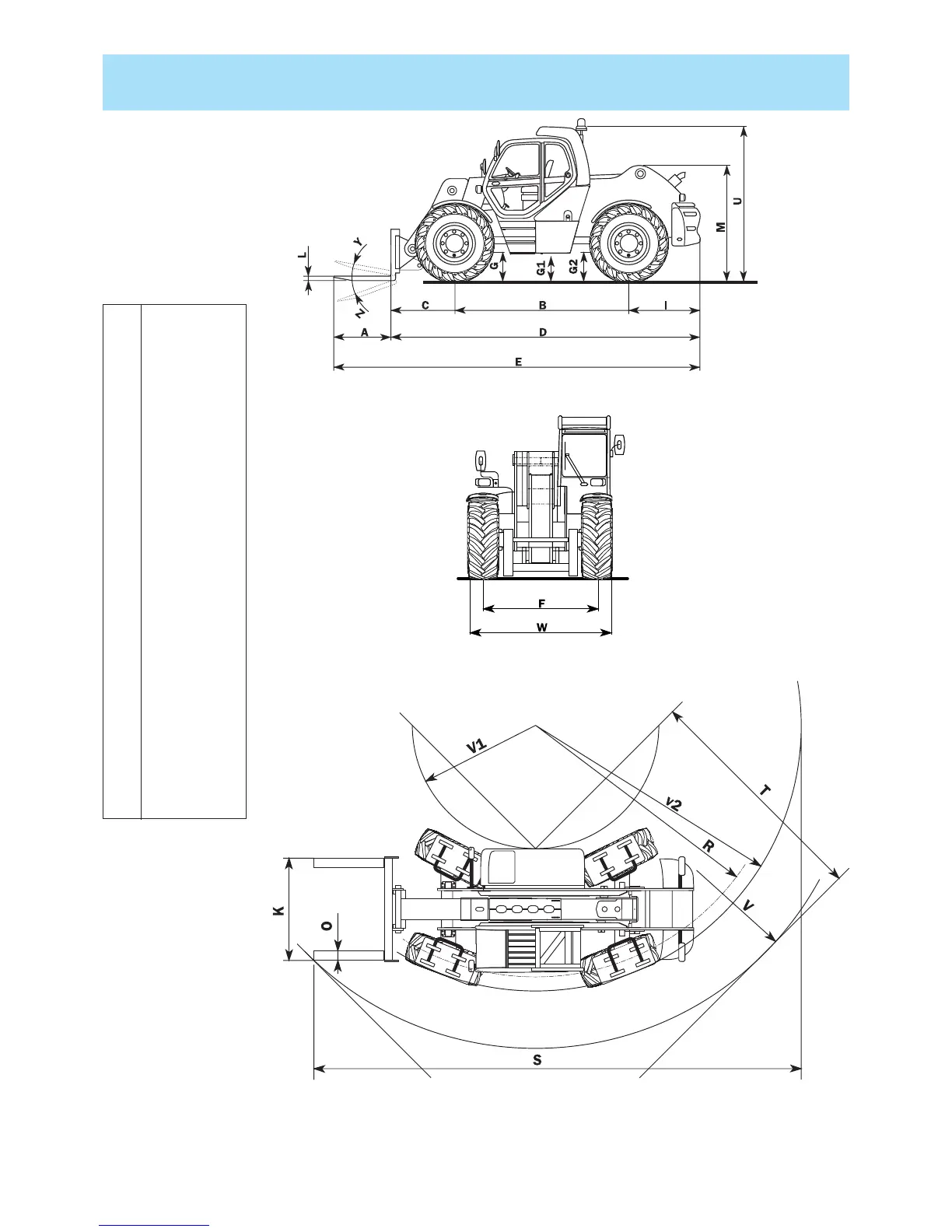
DIMENSIONS AND LOAD CHART
MHT 7140 T-E3
B 3400 mm
C 1330 mm
D 5980 mm
E 7480 mm
F 2000 mm
G 685 mm
I 1250 mm
K 2000 mm
L80 mm
U 2935 mm
V 6520 mm
V1 2590 mm
V2 5390 mm
W 2500 mm
Y 12°
Z 123°
A 1500 mm
G1 445 mm
G2 685 mm
M 2210 mm
O 200 mm
R 5150 mm
S 9605 mm
T 4210 mm

Table of Contents

Related product manuals