EasyManua.ls Logo

Manitou MHT 10225 LT-E3 - Page 160

Manitou MHT 10225 LT-E3
223 pages
Print Icon
To Next Page IconTo Next Page
To Next Page IconTo Next Page
To Previous Page IconTo Previous Page
To Previous Page IconTo Previous Page
Loading...
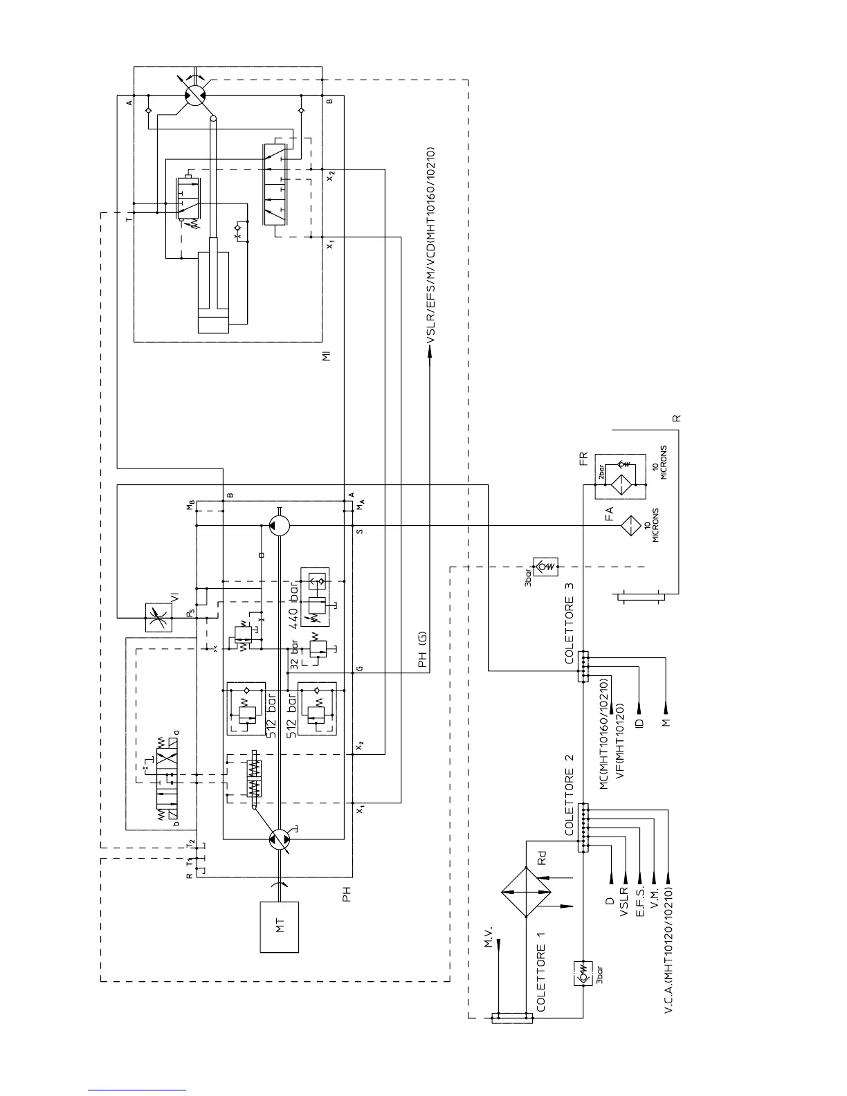
TRANSMISSION HYDRAULIC SYSTEM DIAGRAM

Table of Contents