EasyManua.ls Logo

Manitowoc IDF1400C - IT1200 C;IBT1020 C 1 Ph

Manitowoc IDF1400C
212 pages
To Next Page IconTo Next Page
To Next Page IconTo Next Page
To Previous Page IconTo Previous Page
To Previous Page IconTo Previous Page
Loading...
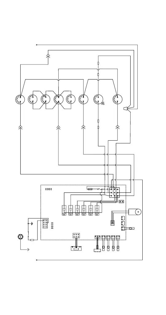
192 Part Number: 000015431 Rev01 5/19
IT1200C/IBT1020C 1PH
QuietQube® Ice Machine Head Section
56
1
42
55
43
49
3
22
41
19
28
32
45
58
34
57
34
1
54
L1
N
GND
(75)
WHT
(21) BLU(20) YEL
(82)WHT
(77) RED
(60) BLK
(80)
WHT
(61) RED
(57) GRY
(58) ORG
(22) WHT
(99) WHT
(29) RED
(76) BLK
(55) BRN
(81)
WHT
(83) ORG
(27) WHT
(97)WHT(56) WHT
(98) BLK
(27) WHT
(30) WHT
(28) RED
(28) RED
(8) WHT
(9) GRN
000014655_02

Table of Contents

Other manuals for Manitowoc IDF1400C

Related product manuals