EasyManua.ls Logo

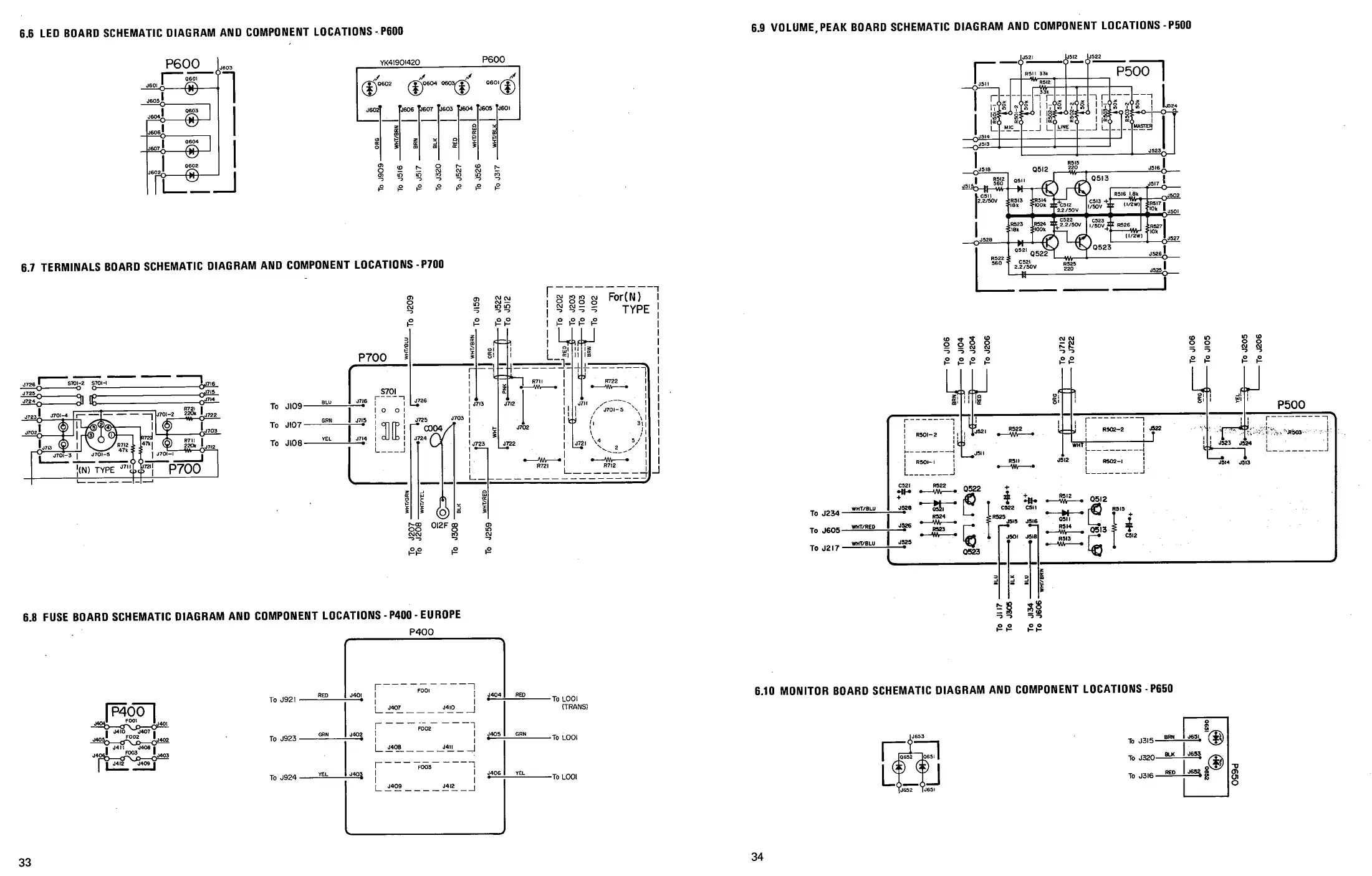
Marantz 5030 - Circuit Board Schematics and Locations; LED, Terminals, and Fuse Board Schematics; Volume;Peak, Monitor Board Schematics

Marantz 5030
52 pages
Print Icon
To Next Page IconTo Next Page
To Next Page IconTo Next Page
To Previous Page IconTo Previous Page
To Previous Page IconTo Previous Page
Loading...

Table of Contents

Related product manuals