EasyManua.ls Logo

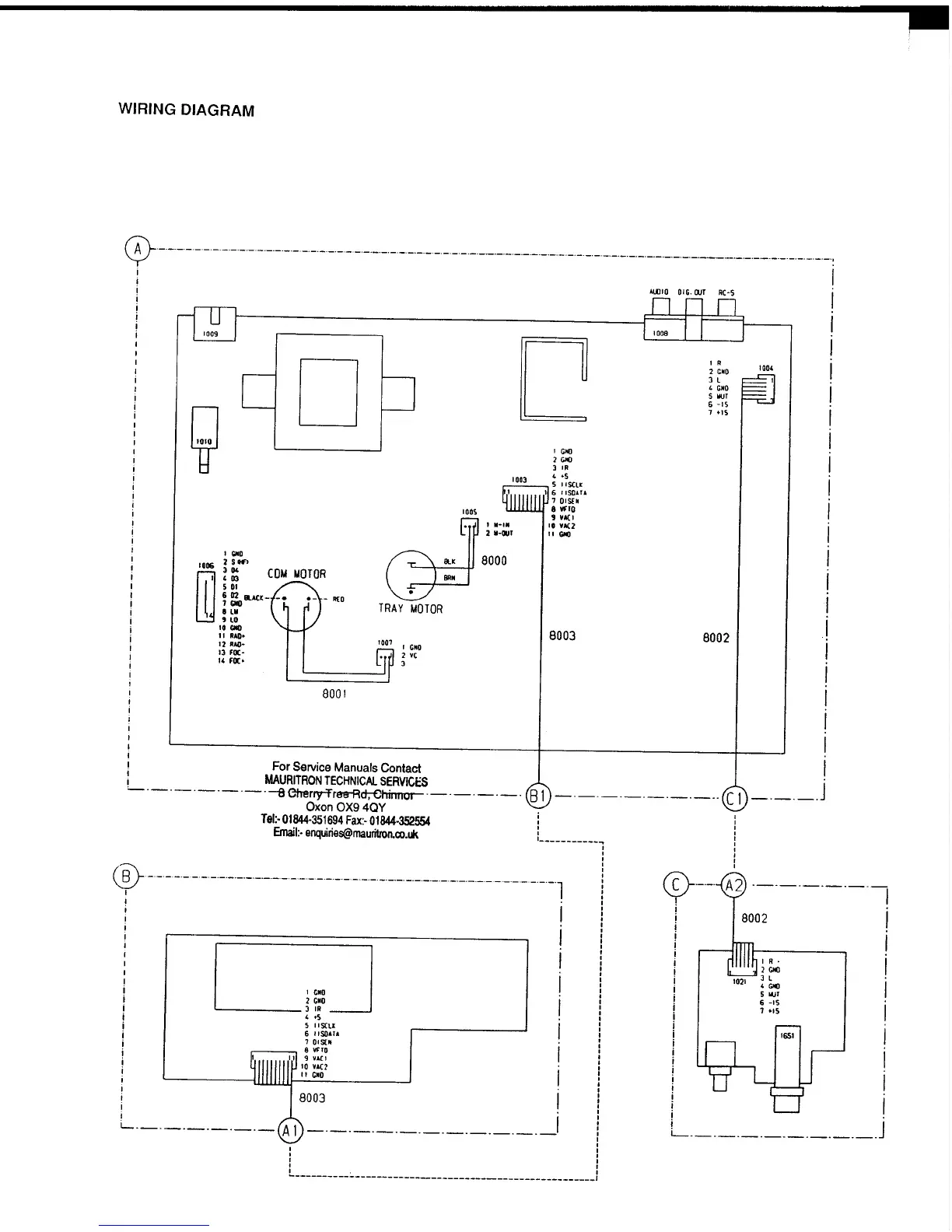
Marantz 74 CD-52/25B - Wiring Diagram

Marantz 74 CD-52/25B
52 pages
Print Icon
To Next Page IconTo Next Page
To Next Page IconTo Next Page
To Previous Page IconTo Previous Page
To Previous Page IconTo Previous Page
Loading...

Related product manuals