EasyManua.ls Logo

Marantz 74 CD43 - Page 10

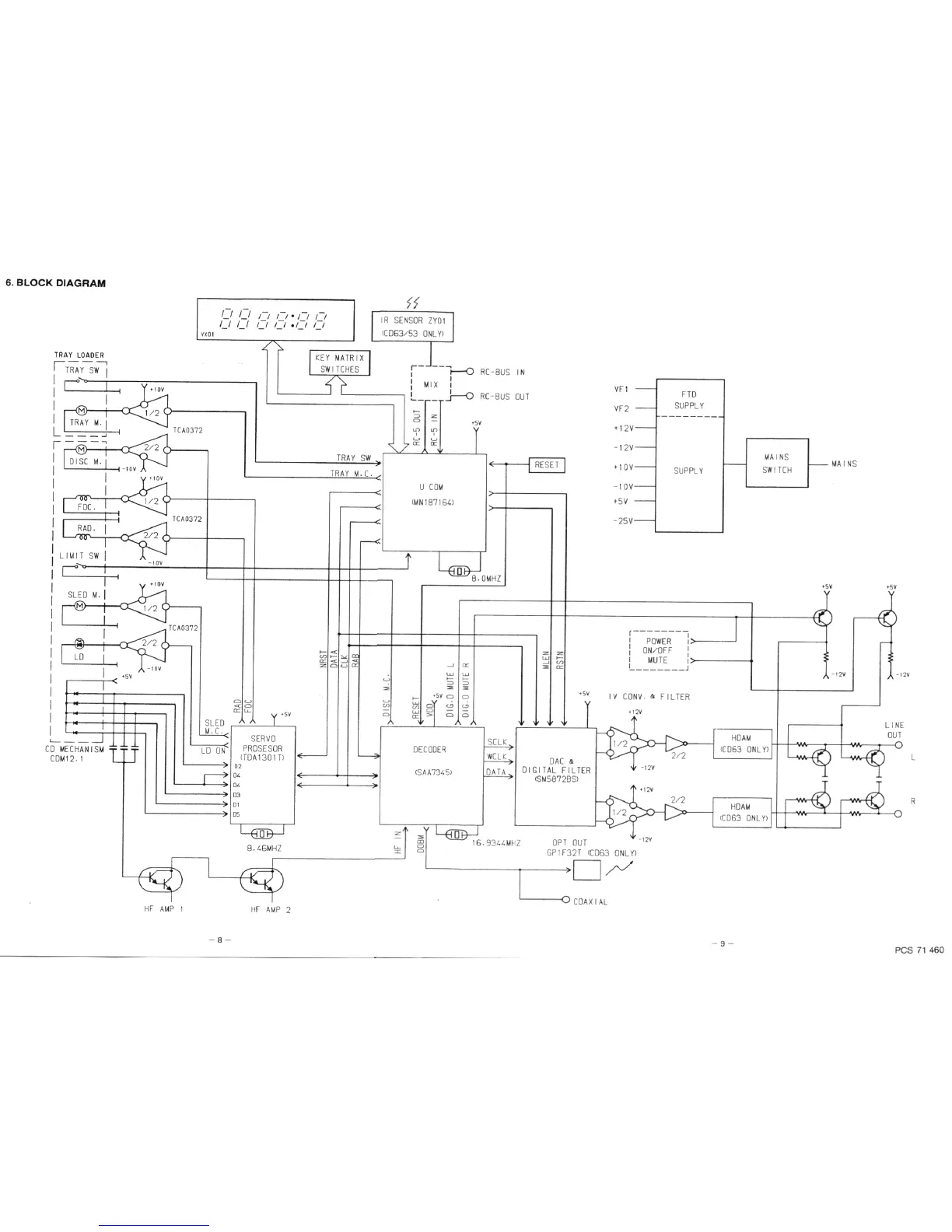
Marantz 74 CD43
20 pages
Print Icon
To Next Page IconTo Next Page
To Next Page IconTo Next Page
To Previous Page IconTo Previous Page
To Previous Page IconTo Previous Page
Loading...

Related product manuals