EasyManua.ls Logo

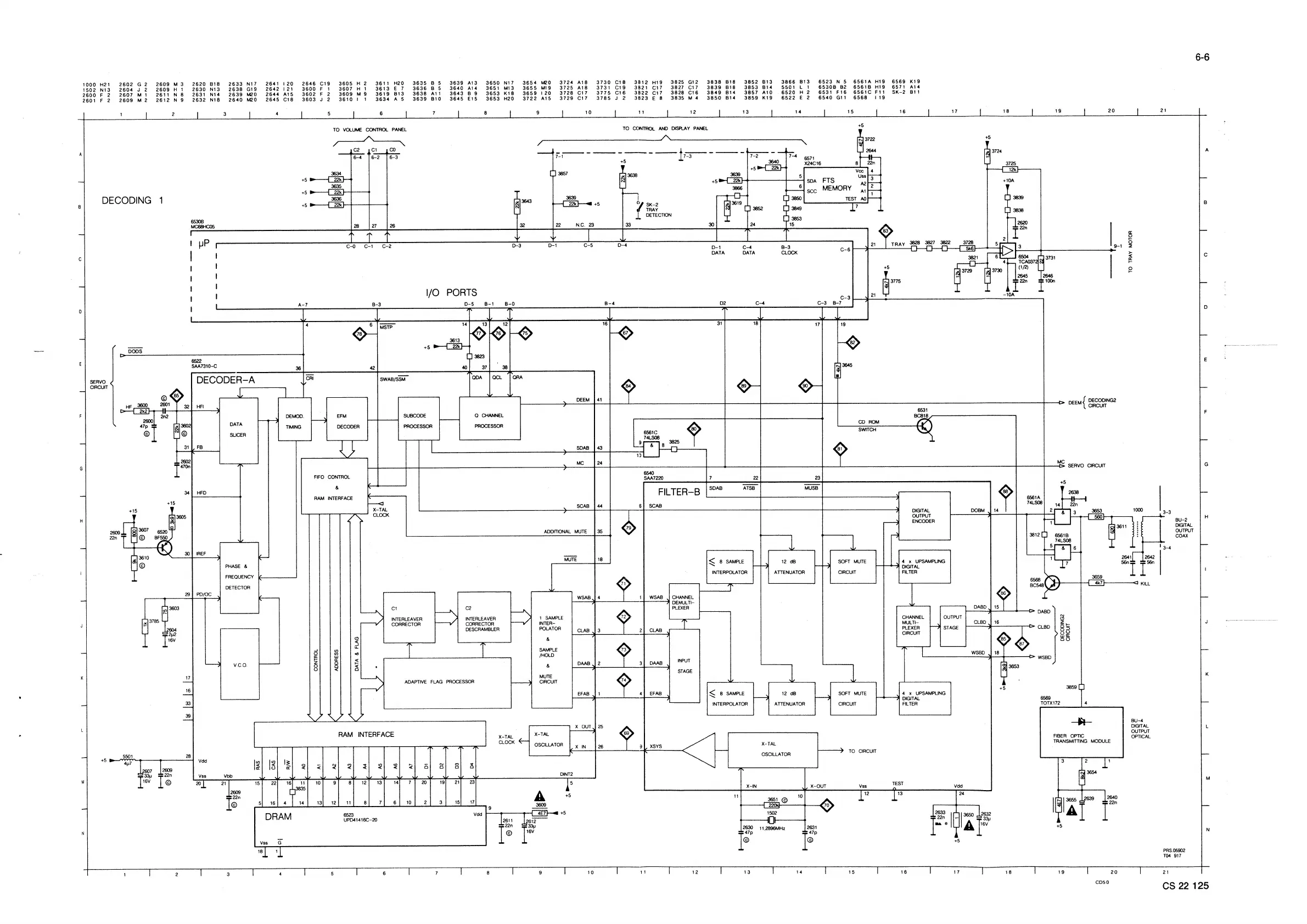
Marantz 74CD50 01B - Detailed Schematics: Decoding Circuits; Decoding Circuit Schematic (Part 1)

Marantz 74CD50 01B
28 pages
Print Icon
To Next Page IconTo Next Page
To Next Page IconTo Next Page
To Previous Page IconTo Previous Page
To Previous Page IconTo Previous Page
Loading...

Related product manuals