EasyManua.ls Logo

Marantz CD-73 - Page 40

Marantz CD-73
41 pages
Print Icon
To Next Page IconTo Next Page
To Next Page IconTo Next Page
To Previous Page IconTo Previous Page
To Previous Page IconTo Previous Page
Loading...
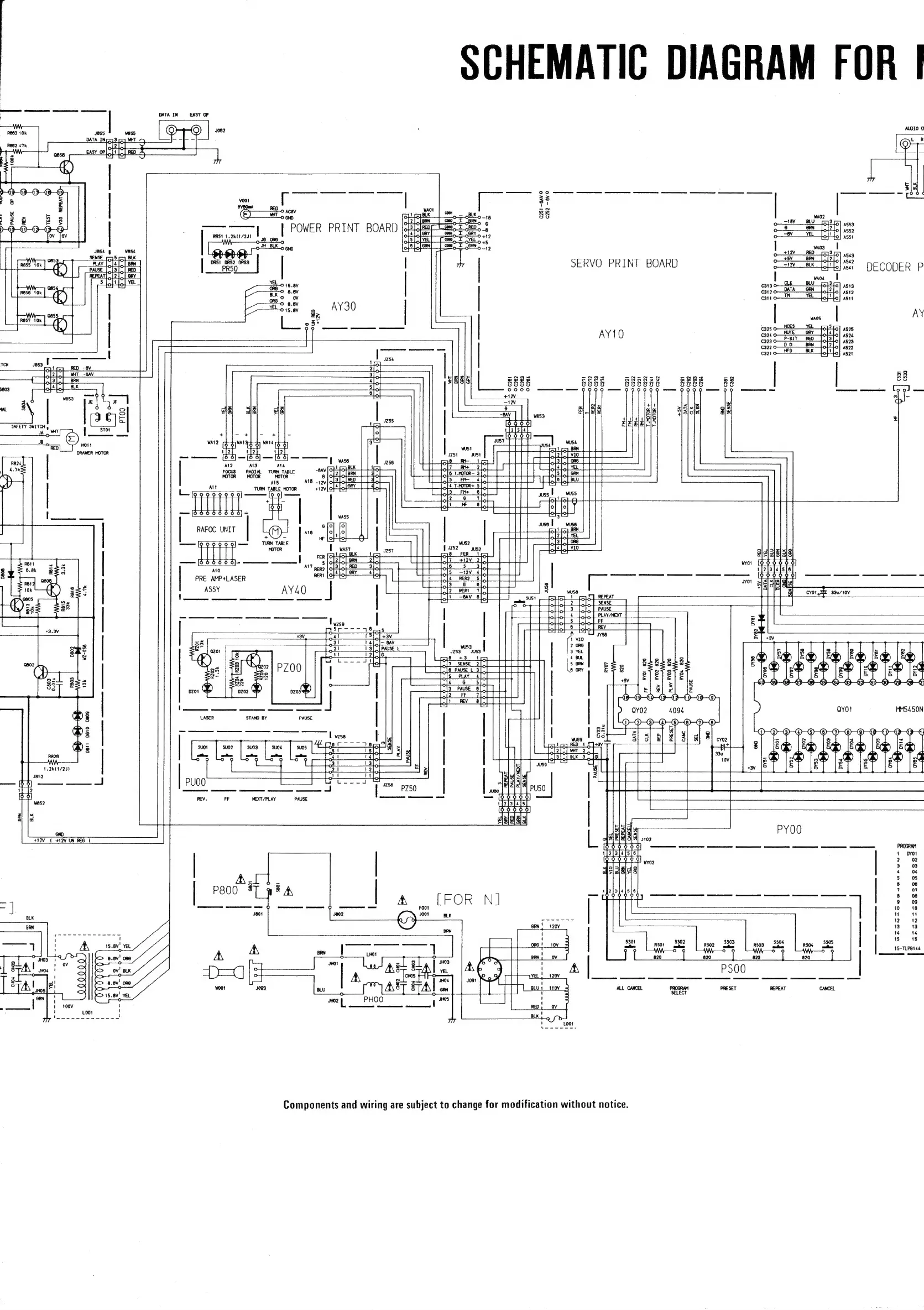
SCHEMATIC
DIAGRAM
FOR
|
O--©O
|
al
|
Wass
DATA_INC335
WHT
o
DATA
IN
A
AUDIO
O
t
3855
RAGS
10k
OAG—
2829
OAVO—
1SZ9.
RRS1
1.2k(1/2J)
DECODER
P
SERVO
PRINT
BOARD
4
AY
i
~
3
t
ass
:|
ses
Upp
ais
se
ene
-NO~Mor@enor-aawy
"|
=)
.
|
vexo
2840
|
|
|
oO
jan)
n
jaw
©
©
‘ONO
|
|
|
|
380d
©)
028
OA
se
®
3
©
ze
EoAy
AV
Id
5
aw
Gaia
ee
ee
ail
"
.
©
«
s
|
Ss
Grit
tity
be
ctw
—S
\
Po
ea
ERY
[Off
O[
ak]
ne
5
rs
é
SD
LS
<
[2g
ene
a
-
ell]
2
sts
Food
oe
Vee
oe
ee
P99
9]
g
q
MOK
AO
ww
©
o
9
>
9]
enesi
———
220K)
pee
eae
RCE
Seareneaeeeee
(Re
1
|
came
|
(65666666)
EES
i
ee
=
sla]=isle=/=
g-1slel=[9el=l
g
we
>|
I>
-|>
2
ZEAE
Hole
5]
0]
S18
ol
5S
$
on
Fl
E
38
1
Pik
8
oO
&|
0}
19]
+]
eo]
wl
Swe]
0}
|
+)
ofa}
2
Le
FEEXEEEE)
—(S9
555655)
——
Pees
PET
88
XXX)
——
=
3k
|
PRE
K)
7
altel
3
—(S6
os]
———
|
2
|
au
.
=
ed,
2
2
«28
=f
3
1.
|
ra
soes
z
ag
g
2%
g@
gor
5
18
Tae
25
g
|
ee
23
—,
.
g
|
|
be
:
O
ao
2
g
yo—
So
|
:
z
2
3
i
S
o
of
oe
<
°
8
<=
5
Se
ea
eale
z
#
3)
18t
:
a
oor
S
occomintane
mini
a:
a
(ee
1
{2
|
13
[4]
WHT
1.2k(1/29)
JA
SAFETY
SWITCH
¢
TCH
NO.
+17V_(
+12V
UN
REG
}
REPEAT
ALL
CANCEL
PROGRAM
SELECT
Components
and
wiring
are
subject
to
change
for
modification
without
notice.

Other manuals for Marantz CD-73

Related product manuals