EasyManua.ls Logo

Marantz CD-73 - Page 13

Marantz CD-73
36 pages
Print Icon
To Next Page IconTo Next Page
To Next Page IconTo Next Page
To Previous Page IconTo Previous Page
To Previous Page IconTo Previous Page
Loading...
(A322)
(A321)
(A325)
MCES
DO
HFL
CLOx
CLOX
X-TAI
osc
TLLATOR
a
ae
ty
CLOX
ae
X-TAL2
1023
DE
CODER
P.B.
ASSY
X500-xX699
16
17
18
Id
-
STOP/PLAY
~
PLAY
ONLY
en
ee
ee
2
—_—————
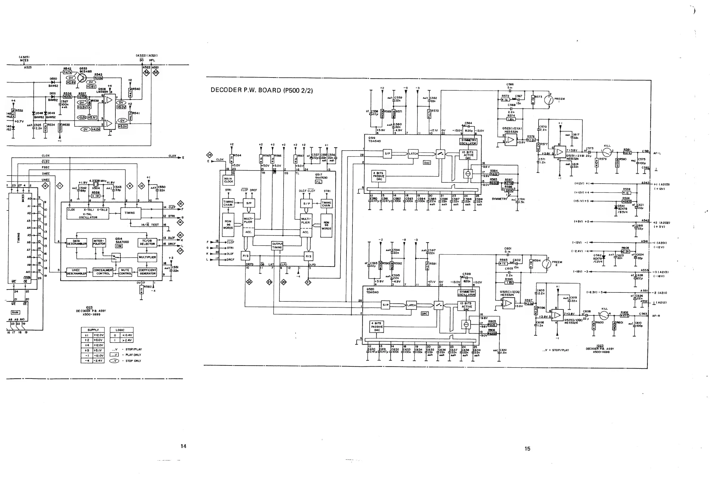
DECODER
P.W.
BOARD
(P500
2/2)
2
|
~
3
aah
|C559
aah
Ic562
of
esse
8
pala
arene
aah
p80
+3.9V
Cav
i
Fu
v
Qsi9
TOAI540
te
+2
420~«On2tet
+1
:
557
|cssdcsse
@
564
RSE5[]R566
yey
or
esS7icesd
css
©
pe
Shox
‘aah|
aah
e5.0v
feu)
DLCF
CLCF
CLCF
oRCF
STRI
Ky 14
18 19
ic582
[C583
|c584
|cse5
acc,
acc,
t
-2
“5-3
on
_—o
$
iecsied
aan|cso4
aah|C597
K
p29
22n 22n
rs
:
me
hae
HR59
r
ae)
8
La
TD
"eee
5:
anes?
ee
10
4
7
i}
595
sah
22n
+3-9V
-4.9V
71
4
3
Zz
u
10
9520
TDAIS40
19
530
“631
lces2
C633
C634
eas
PPP
er
Ee
V—_——_
+
-
or
C566
S.in
R572
C867
R
ep}
ea
A
C/)
PREEM
'5n
:
c568
22n
R574
C564
ov
~13,0V]
820p
-t3.0V
C586
587
jc588
(589
SYMMETRY
aa]
|C591
FEFEEEEER:
-
fe
cé6ol
5.tn
R593
C602
PREEM
ree
c6o3
'Sn
i
599
2.20
R595
Ov
-13.0V]
8207
|-i30y
2
9 8
c605
2.20
RSOT
fe
22H)
10
BITS
ACTIVE
21
23
24
25
C636
|C637
638
(C639
44}
[C641
«Vo
=
STOP/PLAY
22n
22n
22n 22n
LSn
aah
aah aah aah
[
15
ee
AF-L
Q52H1/72NB)
22y
NESS32N
les
1
(+12v)
+1
+1
(A203)
(+12v)
(+12v)
+4
(+5.1V)
+5
(+5V)
+2
+2
(A202)
(+
5v)
j
{-12v)
-t
-t
(A201)
(-12v)
(-2.4V)
-4
(-18V)
-3
3
(A213)
(-18V)
(-6.3V)
-5
—2
(A2in
Lt
Aai2y
AF-R
1023
DECOOER
P.B.
ASSY
X500-X699
—_—_——————

Other manuals for Marantz CD-73

Related product manuals