EasyManua.ls Logo

Marantz CD6000 KI - Page 21

Marantz CD6000 KI
36 pages
Print Icon
To Next Page IconTo Next Page
To Next Page IconTo Next Page
To Previous Page IconTo Previous Page
To Previous Page IconTo Previous Page
Loading...
+
-
+
-
VDD
+
-
+
-
VDD
+
-
+
-
VDD
INTERFACE
EBU
INTERFACE
RAM
ADDRESSER
AUDIO
PROCESSOR
SRAM
FLAGS
ERROR
CORRECTOR
DECODER
MICRO-
PROCESSOR
INTERFACE
SUBCODE
PROCESSOR
VERSATILE PINS
INTERFACE
MICRO
PROCESSOR
INTERFACE
FRONT END
TEST
TIMING
DIGITAL
PLL
EFM
PRE-
PROC.
CONTROL
FUNCTION
OUTPUT STAGES
CONTROL
PART
VREF
GENERATOR
ADC
DEMODULATOR
MOTOR
CONTROL
KILL
PEAK
DETECT
SERIAL DATA
NC
on Sheet 1
circuitry
Provision
2.5V
F
A
B
C
D
E
F
1217 D6
1300 B10
1303 F10
1400 A1
1401 E2
1402 E1
1403 F5
2400 A6
2401 A7
2402 B8
2403 B8
2404 B9
2405 B9
2406 B9
2407 C9
2408 D6
2409 D7
2410 D7
2411 C5
2412 C5
12345678910
12345678910
A
B
C
D
E
NC
NC
NC
NC
NC
NC
NC
2413 C5
2414 C5
2415 C5
2416 C6
2417 D7
2420 D9
2421 F7
2422 F8
2423 F1
2424 F1
2425 A2
2426 A4
2427 A4
2428 A4
2429 A4
2430 B4
2431 B4
2432 C4
2433 B4
2434 C2
NC
NC
NC
NC
NC
NC
on Sheet 1
NC
NC
THRU CONTROL
NC
Fr I2S Decoder
2.5V
2435 D2
2436 C4
2437 C4
2438 C4
2439 F4
2440 F4
2441 F4
2442 F4
2443 F4
2444 C7
2445 A2
2446 A2
2499 E5
3400 B7
3401 C7
3402 C7
3403 C7
3404 C7
NC
To 1603 on Control PCB
To 1601 on Control PCB
To 1602 on Control PCB
TO FRONT PCB
2.5V
2.5V
FOCUS
2.5V
3405 C7
3406 C7
3407 C7
3408 C7
3409 C7
3410 D6
3411 D7
3412 A4
3413 A4
3414 A4
3415 C4
3416 D7
3417 E7
3418 E7
3419 E7
3420 D9
3421 D9
3422 D9
3423 D9
3424 D5
3425 D5
3426 D5
NC
NC
NC
SLIDE
To dig. out
NC
NC
NC
3427 D5
3428 D5
3429 D6
3430 A2
3432 A4
3435 C4
3436 C4
3437 B2
3440 C4
3441 C4
3442 C2
3443 F4
3444 F4
3445 F4
3446 F1
3449 F7
3450 F8
3451 A7
3452 A5
3455 D7
3456 B4
3457 B4
2.5V
3458 A4
3459 E4
3460 E4
3461 B10
3462 B2
4401 A6
4402 B6
4403 B6
4404 B6
4405 A8
4406 A8
4409 A8
4410 B6
5401 B9
5402 B9
5403 B9
7400-A F1
7400-B F8
7400-C F7
7400-D F6
7401 A3
7402 C3
7403 F3
7405 D9
U400 A9
U401 A9
U402 A9
To I2S Decoder
on Sheet 1
to muting circuit
47u
2400
RC5
D
DA
CD7
3444
1K
NC
TURNTABLE
0.0V
0.0V
-21.0V
0.0V
0.0V
0.0V
0.0V
0.0V
0.0V
0.0V
0.0V
+5.0V
4.8V
+5.0V
+4.6V (Laser On)
+4.8V
4.8V
+5.0V
+5.0V
+5.0V
+5.0V
+5.0V
+5.0V
+5.0V
1217 CWAS for U1B only
TRACK
NC
NC
to front optical out
100n
2431
S
7400-A
74HC00D
VF2
D
L
3413
12K
2417
4410
CD7
L
CD7
L
S
S
VFTD
4406
3410
1K
+5NAND
2414 220p
+5A
47u
2440
CD7
2420
100p
S
S
470R3422
4R7
3451
4405
DA
REF
100n
2435
+5S
2422
100p
7401
D
3452
4R7
12
16
46
+5S
3459
1K
+5D
S
CD7
2407
47n
1
6
7
16
13
OUT1-
9
12
5
3
4
8
11
15
DA
12K
3460
L
100K3411
2403 47n
4409
1
10
11
12
2
3
4
5
6
7
8
9
47R3423
L
220p2413
2425
CD7
2499
47n
CD7
CD7
10
11
12
2
3
4
5
6
7
8
9
REF
3417
470R
EBU_GND
4404
CD7
3435
10K
470R3407
3401 22K
4n7
2436
22K3455
DA
DA
+2.5V
SAA7372
+5.0V
+5.0V
+5.0V
0.0V
0.0V
0.0V
0.0V
4.8V
+5.0V
+5.0V
+5.0V
+5.0V
+5.0V
+5.0V
+5.0V
0.0V
+2.5V
+2.5V
+2.5V
+5.0V
4.8V
0.0V
+2.5V
+2.5V
+2.5V
+2.5V
2.4V
0.0V
0.0V
0.0V
3441
10K
CD7
+5.0V
-21.0V
0.0V
-26.0V
To 1500 on HFAmp PCB
to DAC on Sh 1
L
S
+5S
4402
RC5
D
12K
3412
D
+5B
CD7
DA
1
2
L
U402
+5A
35022
1217
L
4403
CD7
D
CD7
3419
470R
D
L
6
7
16
13
OUT1-
9
12
5
3
4
8
11
15
DA
S
TDA7073
7403
14
10
2
1
DA
22R
3437
DA
2411 220p
3424
10K
DA
47n
2402
S
47n2404
3429
10K
CD7
100n
2430
4401
5403
100p
2421
10K
3426
100R
3449
2423
10K
3428
VF
+5S
100n
D
DAC
TKC-A
1403
10K
3458
3
4
5
6
7
8
9
L
3427
10K
1402
FE-BT-VK-N
1
10
11
12
13
14
15
16
17
2
100n
2429
100n
2427
XH-B
CD6000K &
CD6000OSE F Only
1401
1
2
3
4
2409
100n
3409
22K
DA
D
2439
47n
100n
3430
22R
3408 470R
S
3414
12K
4R7
3446
3421 470R
1
2
7
14
3
DA
S
14
8
L
+5NAND
D
3450
100R
7400-C
74HC00D
9
10
7
1
10
11
12
2
3
4
5
6
7
8
9
1300
TKC-A
3406 470R
+5D
S
+5D
470R3405
3440
1K
D
3403
5402
22K
CD7
S
3415
12K
+5D
REF
+5B
2426
100n
VF
1K3445
CD7
1K
3432
REF
S
CD7
U401
L
47p
1n
2408
47n2406
47u
2424
2441
22n
220p2412
470R3416
7402
TDA7073
14
10
2
2405
47n
TEX
22n2410
+5A
3443
470R
1303
TKC-A
1
2401
47u
EBU_GND
2416 220p
VF1
470p
2433
2432
4n7
2437
470p
+5B
CD7
3436
1K2
74HC00D
7400-B
4
5
7
14
6
3457
1K
D
10K
3425
3404 22K
+5B
U400
2444
47p
CD7
470R
3418
+5B
330K
3400
DAC
TEX
+5NAND
CD7
3442
22R
CD7
12K
3456
1
2
3
4
5
6
100n
2446
5401
BXXB-XH
1400
100n
2445
CD7
L
63 4241 40
30
47
592
19
11
39
49 561
52
48
51
13
54
28
20
60
23
29
35
36
37
38
44
58
62
15
17
18
10
14
43
64
33
34
55
9
8
53
57
61
25
24
50
21
22
36
4
57
45
31
27
3461 470R
7405
2434
100n
22R
3462
74HC00D
7400-D
12
13
7
14
11
220p2415
+5B
3420 470R
D
47n
2428
D
S
2443
47n
DA
47n
2438
REF
2442
47u
22K3402
4
8
11
15
+5A
+5NAND
TDA7073
14
10
2
1
6
7
16
OUT1-
13
9
12
5
3
SCL
SCL
SLSW
MOTO1
SL
MOTO2
FO
RA
+5D
TRAYM
TRAYSW
RA-
RA+
HF
O2D1
O1R
O5R1
O6R2
O3D2
FO+
CDRWO
RCINTER
OPCNT
CLKOUT1
CLKOUT1
SERVO{LDON,MOTO1,MOTO2,RA,FO,SL}
SERVO{LDON,MOTO1,MOTO2,RA,FO,SL}
D1
D2
LDGU{HF,O6R2,O5R1,O1R,O2D1,O3D2}
SDA
SCL
RAB
SILD
CDCTRL{SILD,RAB,SCL,SDA}
CDRWO
CD7R
TRAY+
SLSW
SCOR
WFCK
SBSO
EXCK
HF
OPCNT
DOBM
SILD
RAB
SDA
LDON
FOPT
O6R2
O5R1
O3D2
O2D1
EXCK
CDTEXT{SCOR,WFCK,SBSO,EXCK}
RC5OUT
RC5IN
ADC{D1,D2,D3,D4,R1,R2}
DOBM
D4
O1R
R2
R1
D3
RA
FO
SL
MOTO2
WCLK1
BCLK1
DIN
DACSTR
DACDAT
SBSO
SCOR
WFCK
DACRST
ACTU{RA-,RA+,FO+,FO-}
FO-
D1
D2
D3
D4
R1
R2
RKILL
FO+
FO-
RA+
RA-
MOTO1
LKILL
LDON
TRAY-
V
play mode
measured in
DC voltages
Dated: 23 Mar 99 (912.2)
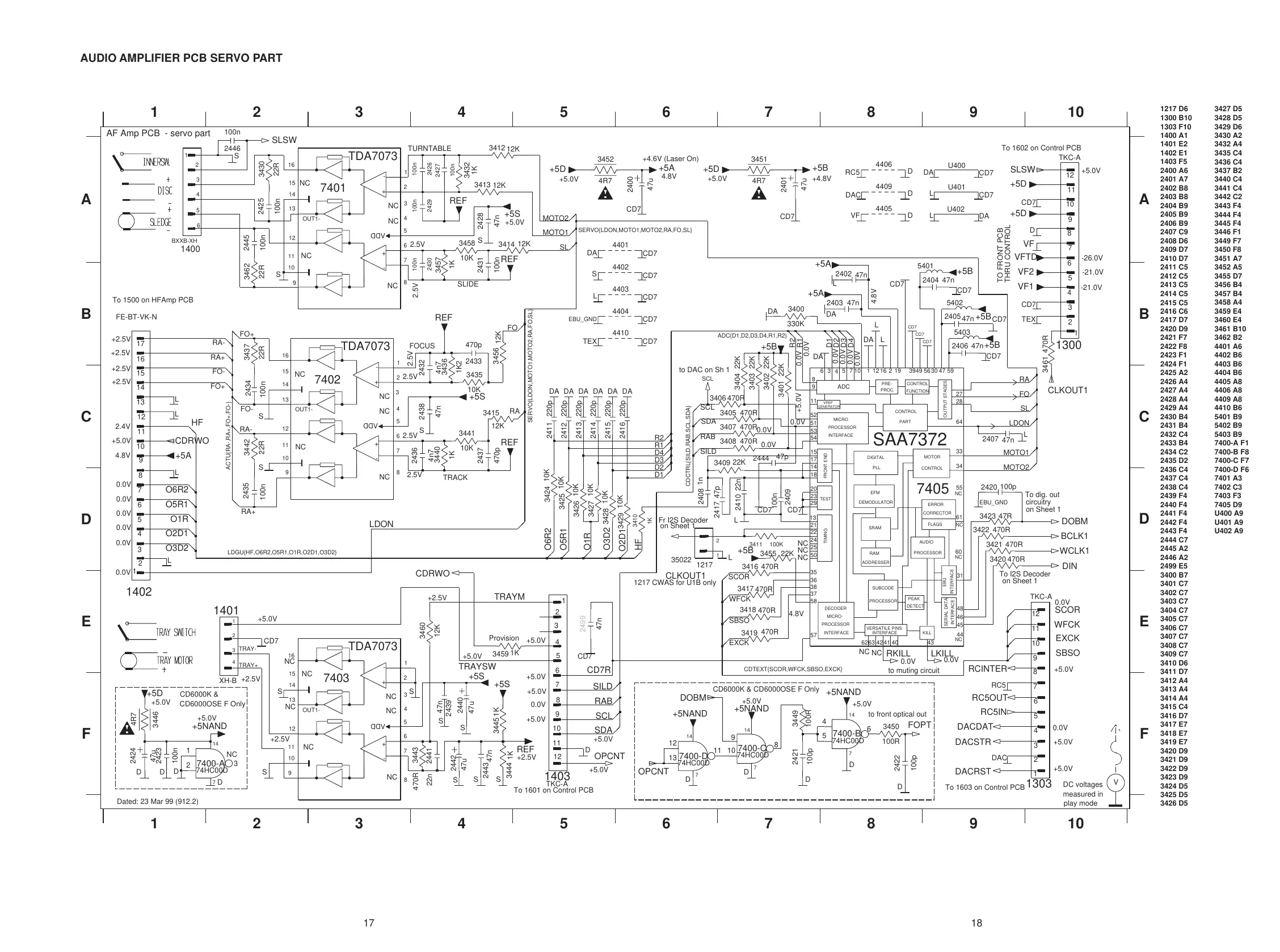
AF Amp PCB - servo part
CD6000K & CD6000OSE F Only
17 18
AUDIO AMPLIFIER PCB SERVO PART
All manuals and user guides at all-guides.com

Related product manuals