EasyManua.ls Logo

Marantz CD6000OSE - Page 27

Marantz CD6000OSE
36 pages
Print Icon
To Next Page IconTo Next Page
To Next Page IconTo Next Page
To Previous Page IconTo Previous Page
To Previous Page IconTo Previous Page
Loading...
27
VGAP
OFF
ON/
IREF
SUPPLY
6
5
4
3
1
2
*
*
*
*
*
1234
1234
A
B
C
D
E
A
B
C
D
E
1500 C1
1501 A1
2500 A4
2501 A4
2502 D3
0.92V (Play)
= PROVISION
4.6V (Play)
4.8V (stop)
4.8V (stop)
4.6V (Play)
4.6V (Play)
4.6V (Play)
*
2503 C2
2504 C4
2505 C2
2506 D4
2507 D2
2508 D2
2509 E2
2510 D4
3500 D2
3501 D3
3502 E4
3503 E1
3504 E2
3505 E4
3588 D3
4500 D3
7404 D2
7500 C2
9500 E4
4.5V (Play)
0.0V (Stop)
2.3V (Play)
2.4V (Stop)
0.0V
0.0V
0.0V
0.0V
0.0V
+1.4V
4.6V (Play)
0.0V (Stop)
NC
NC
NC
NC
MI
NC
NC
NC
L
+5A
1500
FE-BT-VK-N
L
2510
18p
9500
L
L
3505
15K
L
2
3
4
5
6
7
8
9
L
L
L
+5A
2503
+5L
L
5
6
7
8
9
22R3503
1
10
11
12
13
14
15
16
17
2
3
4
+5L
L
L
+5L
14
VCC
1501
5597-NAPB
1
10
11
12
PC74HCU04D
1
1A
2
1Y
3
2A
4
2Y
5
3A
6
3Y
9
4A
8
4Y
11
5A
10
5Y
13
6A
12
6Y
7
GND
2508 47n
7404
L
0u47 2506
10K3501
L
L
47u2505
+5L
47n
2504
3502
4R7
10p
2509
L
L
560p 2501
O1
4
O2
6
O3
3
O4
1
O5
5
O6
2
RF
10
RFE
9
VDD
18
VDDL
8
1n5
2500
ADJ
14
C
13
GND
15
HG
11
I1
21
I2
19
I3
22
I4
24
I5
20
I6
23
LDON
7
LO
16
LS
12
MI
17
L
7500
TDA1302T
22K
3504
3588
100R
4500
3500 100K
2502
1n
47n
2507
47u
FO-
HF
O5R1
O2D1
RW
RW
RA+
FO+
+5L
FO+
FO-
RA+
RA-
LO
{RA+,RA-,FO+,FO-}
{LDON,O2D1,O5R1,O1R,O3D2,O6R2}
O6R2
O3D2
O5R1
O2D1
O1R
LDON
VRFE
RA-
O6R2
O1R
O3D2
LDON
LAST UPDATE : 23 Mar 99 (912.2)
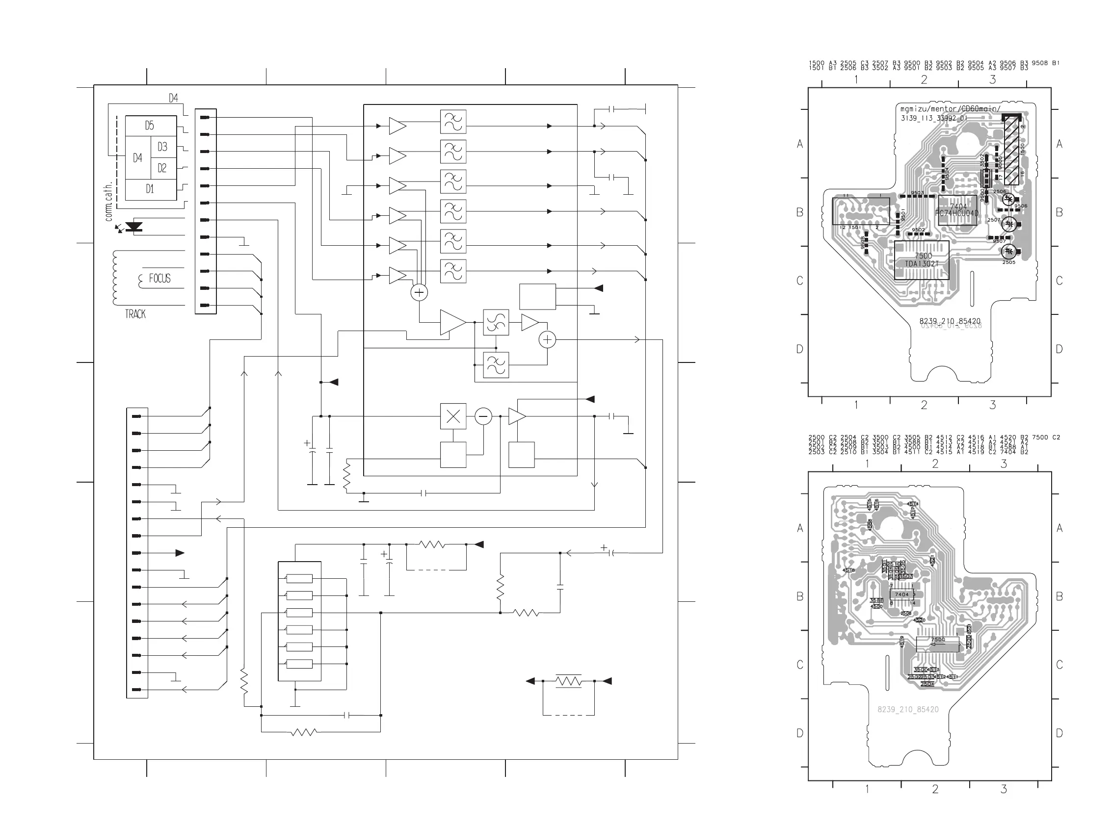
HF AMP PCB
HF AMP PCB COMPONENT SIDE VIEW
28
HF AMP PCB COPPER SIDE VIEW

Related product manuals