EasyManua.ls Logo

Marantz CD6000OSE - Page 30

Marantz CD6000OSE
36 pages
Print Icon
To Next Page IconTo Next Page
To Next Page IconTo Next Page
To Previous Page IconTo Previous Page
To Previous Page IconTo Previous Page
Loading...
POS.
NO
VERS.
COLOR
PART NO.
(FOR PCS)
DESCRIPTION
(VERS. :VERSION, U:U.S.A., F:JAPAN, K:FAR EAST,
**
:EUROPE)
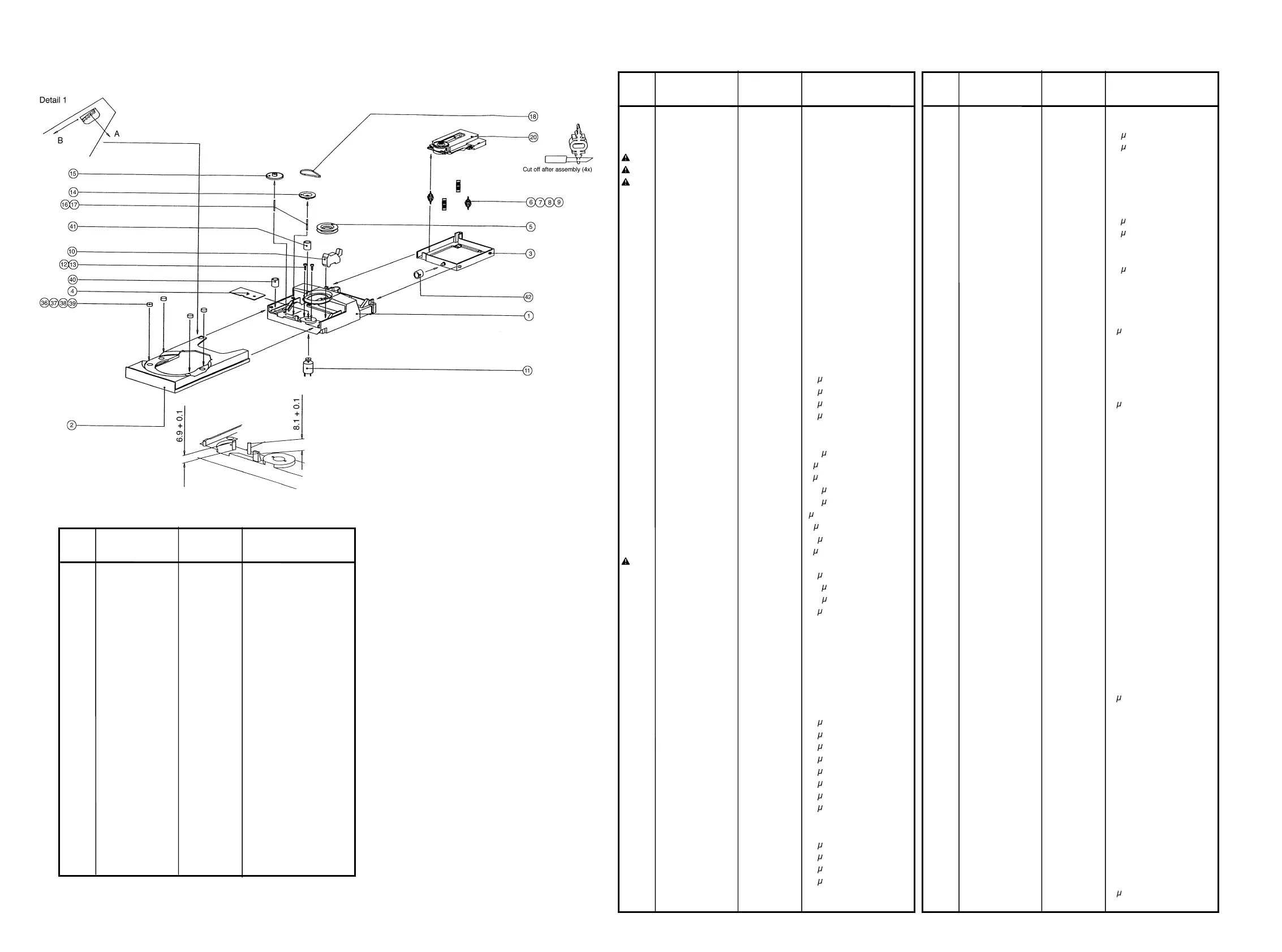
2 4822 444 50679 TRAY, PLASTIC
3 4822 464 50895 CHASSIS, PLASTIC
4 4822 444 60816 COVER, PLASTIC
5 4822 402 61412 BRACKET, STEEL
6 4822 325 50215 GROMMET, RUBBER
7 4822 325 50215 GROMMET, RUBBER
8 4822 325 50215 GROMMET, RUBBER
9 4822 325 50215 GROMMET, RUBBER
10 4822 276 13979 SWITCH, OTHERS
11 4822 361 21492 MOTOR DC <=37.5W
14 4822 528 11268 PULLEY, PLASTIC
15 4822 528 81464 TOOTHED WHEEL
16 4822 535 93319 SPINDLE
17 4822 535 93319 SPINDLE
18 4822 358 31168 BELT, DRIVING
20 4822 691 10615 CD MECHA VAM1201
36 4822 325 80511 STOPPER, PLASTIC
37 4822 325 80511 STOPPER, PLASTIC
38 4822 325 80511 STOPPER, PLASTIC
39 4822 325 80511 STOPPER, PLASTIC
40 4822 325 60379 GROMMET, RUBBER
41 4822 325 60379 GROMMET, RUBBER
42 4822 325 60379 GROMMET, RUBBER
POS.
NO
VERS.
COLOR
PART NO.
(FOR PCS)
DESCRIPTION
(VERS. :VERSION, U:U.S.A., F:JAPAN, K:FAR EAST,
**
:EUROPE)
POS.
NO
VERS.
COLOR
PART NO.
(FOR PCS)
DESCRIPTION
(VERS. :VERSION, U:U.S.A., F:JAPAN, K:FAR EAST,
**
:EUROPE)
AUDIO AMPLIFIER
CIRCUIT BOARD
1112 4822 265 20723 CONN.B2P3-VH
1113 4822 276 14113 POWER SWITCH 1P 4A/32A
1114 4822 071 56301 FUSE 19372(630MA)
1115 4822 071 56301 FUSE 19372(630MA)
1211 4822 265 11626 CINCH SOCKET AUDIO OUT
1212 F/N,F/T,F/U,F/F 4822 265 11627 CONN. 12P REV. ENTRY
1213 F/N,F/T,F/U,F/F 4822 265 11634 CONN. 8P
1300 4822 265 11627 CONN. 12P REV. ENTRY
1303 4822 265 11627 CONN. 12P REV. ENTRY
1312 4822 267 41009 MTZJ2.0B
1314 4822 130 10845 GP1F32T OPT
1315 4822 277 11883 SWITCH SLIDE 2P 2POS
1402 4822 267 10871 CONN.17POL. FEM.
1403 4822 265 11627 CONN. 12P REV. ENTRY
1907 4822 320 12726 FLEX FOIL 18P - 120MM
1909 4822 320 12727 FLEX FOIL 17P - 120MM
2111 4822 126 12785 47NF Y5VTUB 50V
2112 4822 126 12785 47NF Y5VTUB 50V
2113 /N/T/K 4822 124 12429 470 F 20% 35V
2114 /N/T/K 4822 124 12429 470 F 20% 35V
2115 4822 124 20695 470 F 50% 16V
2116 4822 124 20695 470 F 50% 16V
2117 4822 126 12785 47NF Y5VTUB 50V
2118 4822 126 12785 47NF Y5VTUB 50V
2119 4822 124 41458 4700 F 20% 16V
2120 4822 124 40433 47 F 20% 25V
2121 4822 124 40433 47 F 20% 25V
2122 4822 124 12431 3300 F 20% 6.3V
2123 F/U 4822 124 81144 1000 F 16V
2124 4822 124 21913 1 F 20% 63V
2125 5322 124 21731 10 F 20% 50V
2126 /N/T/K,F/N,F/T,F/U,F/F 4822 124 12432 100 F 20% 50V
2127 4822 124 12433 47 F 20% 35V
2128 4822 126 14084 4.7NF 20% 250V
2129 4822 124 12432 100 F 20% 50V
2131 F/N,F/T,F/U,F/F 4822 124 12441 1000 F 20% 35V
2132 F/N,F/T,F/U,F/F 4822 124 12441 1000 F 20% 35V
2133 F/U 220 F
2211 4822 121 10524 390pF 2.5% 100V
2212 4822 121 10524 390pF 2.5% 100V
2213 4822 121 10872 100pF 5% 100V
2214 4822 121 10872 100pF 5% 100V
2215 4822 122 33849 150pF 10%Y5P 50V
2216 4822 122 33849 150pF 10%Y5P 50V
2217 4822 121 10872 100pF 5% 100V
2218 4822 121 10872 100pF 5% 100V
2219 4822 124 12434 220 F 20% 16V
2220 4822 124 12434 220 F 20% 16V
2221 4822 124 12434 220 F 20% 16V
2222 4822 124 12434 220 F 20% 16V
2223 4822 124 20695 470 F 50% 16V
2224 4822 124 20695 470 F 50% 16V
2225 4822 124 20695 470 F 50% 16V
2226 4822 124 20695 470 F 50% 16V
2227 4822 122 33195 100pF 10% 50V
2228 4822 122 33195 100pF 10% 50V
2229 4822 124 40207 100 F 20% 25V
2230 4822 124 40207 100 F 20% 25V
2311 4822 124 20695 470 F 50% 16V
2312 4822 124 20695 470 F 50% 16V
2313 4822 126 13751 47NF 10% X7R 63V
2314 4822 126 13751 47NF 10% X7R 63V
2315 4822 126 13751 47NF 10% X7R 63V
2316 4822 124 20695 470 F 50% 16V
2317 4822 124 20695 470 F 50% 16V
2318 4822 126 13751 47NF 10% X7R 63V
2319 4822 126 12785 47NF Y5VTUB 50V
2320 4822 126 12785 47NF Y5VTUB 50V
2321 4822 126 12785 47NF Y5VTUB 50V
2322 4822 126 12785 47NF Y5VTUB 50V
2323 4822 124 12434 220 F 20% 16V
2324 4822 124 12434 220 F 20% 16V
2325 4822 126 13751 47NF 10% X7R 63V
2326 4822 126 13751 47NF 10% X7R 63V
2327 4822 124 12022 220 F 20% 25V
2328 4822 126 12785 47NF Y5VTUB 50V
2329 4822 122 33847 10pF 5% NP0 50V
2330 4822 122 33847 10pF 5% NP0 50V
2331 4822 126 14585 100NF 10% X7R 0805 50V
2341 5322 124 21731 10 F 20% 50V
2342 4822 122 33848 47pF 5% SL 50V
2343 4822 126 12882 100NF +80-20% 50V
2344 4822 126 12882 100NF +80-20% 50V
2345 4822 126 12882 100NF +80-20% 50V
2346 4822 126 12882 100NF +80-20% 50V
2347 5322 124 21731 10 F 20% 50V
2348 5322 122 32531 100pF 5% NP0 50V
2400 4822 124 40433 47UF 20% 25V
2401 4822 124 40433 47UF 20% 25V
2402 4822 126 13751 47NF 10% X7R 63V
2403 4822 126 13751 47NF 10% X7R 63V
2404 4822 126 13751 47NF 10% X7R 63V
2405 4822 126 13751 47NF 10% X7R 63V
2406 4822 126 13751 47NF 10% X7R 63V
2407 4822 126 13751 47NF 10% X7R 63V
2408 5322 126 10511 1NF 5% NP0 50V
2409 4822 126 13838 100NF Y5V 0805 50V P80M20
2410 5322 122 32654 22NF 10% X7R 63V
2411 4822 122 10466 220pF 10% 50V
2412 4822 122 10466 220pF 10% 50V
2413 4822 122 10466 220pF 10% 50V
2414 4822 122 10466 220pF 10% 50V
2415 4822 122 10466 220pF 10% 50V
2416 4822 122 10466 220pF 10% 50V
2417 4822 126 13692 47pF 1% NP0 63V
2420 5322 122 32531 100pF 5% NP0 50V
2421 /K,F/F 5322 122 32531 100pF 5% NP0 50V
2422 /K,F/F 5322 122 32531 100pF 5% NP0 50V
2423 /K,F/F 4822 126 13838 100NF Y5V 0805 50V P80M20
2424 /K,F/F 4822 124 40433 47 F 20% 25V
2425 4822 126 14585 100NF 10% X7R 0805 50V
2426 4822 126 14585 100NF 10% X7R 0805 50V
2427 4822 126 14585 100NF 10% X7R 0805 50V
2428 4822 126 13751 47NF 10% X7R 63V
2429 4822 126 14585 100NF 10% X7R 0805 50V
2430 4822 126 14585 100NF 10% X7R 0805 50V
2431 4822 126 14585 100NF 10% X7R 0805 50V
2432 5322 126 10223 4.7NF 10%X7R 63V
2433 5322 122 32268 470pF 10% 50V
2434 4822 126 14585 100NF 10% X7R 0805 50V
2435 4822 126 14585 100NF 10% X7R 0805 50V
2436 5322 126 10223 4.7NF 10%X7R 63V
2437 5322 122 32268 470pF 10% 50V
2438 4822 126 13751 47NF 10% X7R 63V
2439 4822 126 13751 47NF 10% X7R 63V
2440 4822 124 40433 47 F 20% 25V
2441 5322 122 32654 22NF 10% X7R 63V
33
CD LOADER EXPLODED VIEW
34
10. ELECTRICAL PARTS LIST

Related product manuals